当前位置:网站首页 > 机房维保 正文 机房维保

数据中心机房建设方案

frank 2025-08-31 16:59:05 机房维保 49 ℃ 0 评论

第一章概述

    1. 项目建设需求
      1. 总体需求
  1. 机房工程设计施工的安全技术、劳动保护、防火要求应按国家有关部门颁布的现行规定执行。
  2. 设计施工单位必须按要求施工。为保证设计和施工程序的严密性,如有设计变更,应按有关程序办理签证并保存相应的文档资料。
  3. 设计施工单位必须认真做好施工组织设计和准备工作。
  4. 设计施工单位须依照国内及国际最新颁布的标准、规范进行各系统的施工、安装。
  5. 业主方保留在合同签订时适当调整本工程技术要求的权利。
  6. 本技术要求为计算机主机房系统工程提供了主要技术要求,但不应作为完整完善的详细要求。投标人应提供详细的各系统配置方案,设备材料规格和数量、系统功能描述,并保证符合或优于技术要求所提出的各项功能。同时,投标人有责任补充技术文件和设计图纸中未描述的,但为保障系统能正常高效运行所必需的详细要求。施工方要负责向业主提交完整、优质的所有系统。中标人只有在得到业主签发的书面工程竣工的各项目验收书并经过一阶段的试运行后整个工程才算完成。
  7. 设计施工方必须仔细阅读本技术文件,并有责任全面了解整个工程范围、工程进度、施工现场的状况、业主功能上的需求、技术规范等。如有问题或疑问,应向业主方提出书面文件,由业主方书面答复。如因对工程范围及要求不明确而造成的失误,由设计施工方承担一切责任。
  8. 本技术要求未尽之处,业主方有补充及追加的权利。
      1. 机房布局划分

数据中心机房总面积大约178平方米,使用面积约为123平方米,分为三个功能区域,分别为主设备机房、动力机房、操作间、钢瓶间。各间需要单独隔开。隔开后主设备机房用于放置配线柜、机柜、服务器、小型机、网络设备、通讯设备等重要设备;动力机房放置UPS、电池、配电柜等。

机房设计必须符合国家相关机房工程标准,按精密机房的要求进行建设,对电磁干扰、静电危害等进行隔离、消除;同时应保证业主方开展各项业务的需要,以实用、简洁、美观为原则,机房布局要美观大方。

主设备机房机柜布局要合理,以便于监控和操作为原则。

      1. 室内装修
  • 一般要求:
  1. 计算机房的室内装修工程主要包括吊顶、隔断墙、门、窗、墙壁装修、地面、活动地板的施工验收及其他室内作业。
  2. 室内装修作业应符合《装饰工程施工及验收规范》、《地面与楼面工程施工及验收规范》、《木结构工程施工及验收规范》及《钢结构工程施工及验收规范》的有关规定。
  3. 在施工时应保证现场、材料和设备的清洁。隐蔽工程(如地板下、吊顶上、假墙、夹层内)在封口前必须先进行除尘,清洁处理、并由有关专业人员验收,暗处表层应能保持长期不起尘、起皮和龟裂。
  4. 机房所有管线穿墙处的裁口必须作防尘处理,对缝隙必须用密封材料填堵。
  5. 在裱糊、粘接贴面及进行其他涂复施工时,其环境条件应符合材料说明书的规定。
  6. 装修材料应尽量选择无毒、无刺激性的材料,尽量选择难燃、阻燃材料,否则应涂防火涂料。
  • 吊顶
  1. 计算机机房吊顶板表面应平整,不得起尘、变色和腐蚀;其边缘应整齐、无翘曲;封边处理后不得脱胶,填充顶棚的保温、隔音材料应平整,干燥,并作包缝处理。
  2. 按设计标高及安装位置严格放线。吊顶及走道龙骨应坚固、平直,并有可靠的防锈涂复。金属连接件、锚固件除锈后,应涂两遍防锈漆。
  3. 吊顶上的灯具,各种风口,火灾探测器底座及灭火喷嘴等应定准位置,整齐划一。并与龙骨和吊顶板紧密配合安装。从外表看应布局合理、美观、不显凌乱。
  4. 固定式吊顶的顶板应与龙骨垂直安装。双层顶板的接缝不得落在同一根龙骨上。
  5. 用自攻螺钉固定吊顶板,不得损坏板面。当设计未作明确规定时应符合下列要求:

螺钉帽拧入板内0.5mm;

螺钉间距:沿板周边间距150-200mm,中部间距为200-3000mm,均匀布置;

螺钉距板边10-15mm。

  1. 钉眼、接缝和阴阳角处必须根据顶板材质用相应的材料嵌平、磨光。
  2. 安装过程中应及时擦拭顶板表面,并及时清除顶板内的余料和杂物,做到上不留余物,下不留污迹。
  3. 为防止顶面结露,精密空调区吊顶在作防尘处理后应采用15厚橡塑保温作保温处理。
  • 隔断墙
  1. 彩钢板隔断墙的沿地,沿顶及沿墙龙骨建筑围护结构内表面之间应衬垫弹性密封材料后固定。当设计无明确规定时,龙骨间距不宜大于600mm,为保证彩钢板墙面的平整要求,龙骨厚度应大于0.63mm。精密空调区墙面龙骨内应采用橡塑保温材料。
  2. 竖龙骨准确定位并校正垂直后与沿地、沿顶龙骨可靠固定。
  3. 有耐火极限要求的隔断墙竖龙骨的长度应比隔断墙的实际高度短30mm,上、下分别形成15mm膨胀缝,其间用难燃弹性材料填实。
  4. 安装隔断墙板时,板边与建筑墙面间隙应用嵌缝材料可靠密封。
  5. 当设计无明确规定时,用自攻螺钉固定墙板宜符合下列要求。
  6. 螺钉间距:沿板周边间距不大于200mm,板中部间距不大于300mm,均匀布置。
  7. 有耐火极限要求的隔断墙板应与竖龙骨平行铺设,不得与沿地、沿顶的龙骨固定。
  8. 隔断墙两面墙板接缝不得在同一根龙骨上,每面的双层墙板接缝亦不得在同一根龙骨上。
  9. 隔断墙内的管、线安装应与墙板保留间隙。
  10. 安装在隔断墙上的设备和电气装置应固定在龙骨上。墙板不得受力。
  11. 隔断墙上需安装门窗时,门框、窗框应固定在龙骨上,并按设计要求对其缝隙进行密封。
  • 活动地板
  1. 本工程区域地面采用防静电活动地板。地面铺设前应对原地面进行防尘处理及用15mm厚保温进行保温处理;
  2. 计算机房用活动地板应符合国标GB6650-86《计算机房用活动地板技术条件》。
  3. 活动地板的铺设应在机房内各类装修施工及固定设施安装完成并对地面清洁处理后进行。
  4. 建筑地面应符合设计要求,并应清洁、干燥、活动地板下空间作为静压箱时,四壁及地面均应作防尘处理(如防尘油漆等),应保证长期不起皮、起泡或龟裂。
  5. 现场切割的地板,周边应光滑,无毛刺,并按原产品的技术要求作相应处理。
  6. 活动地板铺设前应按标高及地板布置严格放线将支撑部件调整至设计高度。
  7. 活动地板铺设过程中应随时调整水平遇到障碍或不规则地面,应按实际尺寸镶补并附加支撑部件,保证地板牢固可靠。
  8. 在活动地板上搬运,安装设备时应对地板表面采取防护措施,保证竣工时提供完整如新的地板面。
  9. 活动地板铺设接缝应横平竖直,铺设偏差应符合下表的规定:

活动地板允许偏差

序号

检测项目

检测标准

允许编差

检测方法

检测数量

1

地板不平度

SJ/T30003-93

≤2.00

用2M直尺和楔形塞尺沿纵、横、斜三方向测量

抽样比例为15%

2

接缝宽度

SJ/T30003-93

≤1.00

用塞尺、直尺检测

抽样比例为15%

3

相邻边缘高差

SJ/T30003-93

≤1.00

用塞尺、直尺检测

抽样比例为15%

  1. 为防止地面结露,精密空调区地面应铺设15厚橡塑保温材料。
  • 其它要求
  1. 彩钢板高度与机房高度不符时应定制,不允许拼接。
  2. 龙骨采用0.80mm厚“陆建”、“港星”或”龙”牌等优质龙骨。
  3. 石膏板采用“拉法基”或“龙”牌等优质石膏板。
  4. 机房区踢脚线采用1.0厚亚光不锈钢。
  5. 电线管采用JDG套接紧定式电线管。电源线采用阻燃线,生产厂家为国内知名厂家。
  6. 机房内所有材料均需采用优质产品。
  7. 机房大门须采用防火门。
      1. 空气调节系统
  • 空调系统主机
  1. 本工程标明采用精密空调区域采用下送风、上回风恒温恒湿精密机房空调系统,依据本项目现场实际面积,因此预计单台精密空调的极限制冷量至少需要40KW(理论上空调系统主体设备应有20%的备份余量)。

计算机机房活动地板下空间作为静压箱时,管道安装应符合下列要求:

  1. 静压箱内各种管道应严格按设计要求施工。设计无规定时,各种管道应安装在同一水平高度上,不要叠放。
  2. 在静压箱与各种管道接缝处应采取密封措施,做到清洁、严密。
  3. 机房空调系统的主体设备要留有备份余量。
  4. 机房专用空调安装应竖向垂直,横向水平,牢固稳定。空调器的基础台座应与建筑楼地面牢靠固定,空调器与金属台座间应垫隔震材料。
  5. 空调器与风冷冷凝器之间的气体和液体管道在安装后应用氮气进行吹洗干净,管道内不得存有异物、灰尘和水份等。
  1. 温度、相对湿度传感器的安装应符合下列要求:

安装在室内的,应设置在空气流通的回风气流中。

安装在活动地板下时,应设置在离空调器出风口顺气流方向3m远外气流均匀的地方。

  1. 室外风冷冷凝器的安装应符合下列要求:

风冷冷凝器的四周应留有足够的通风及维修空间,设计无规定时,设备与围挡物之间及二台设备之间距离应大于1.5m;留有人员上下维修的通道。

  1. 连接空调与风冷冷凝器之间的管道保温材料,设计无规定时应采用导热系数小,抗温性及耐火性强,不易霉烂,机械强度高,经久耐用,便于加工的材料。
  2. 为了避免下层结露,楼板保温建议采用目前最新技术,效果良好的橡塑的保温层方式。
  3. 采取措施,保证机房主控区域不因远离空调机组而造成调温、调湿效果差的问题。
  4. 主机房精密环境控制设备的制冷量不应小于 40 KW。并需要形成主机1+1冗余备份工作方式。
  5. UPS配电区域、操作间、备份机房采用大金吸顶空调。
  • 新风
  1. 新风采用独立的新风系统,送入机房的新风应符合下列要求:新风应是新鲜洁净的空气,本机房的新风补充量应为8%-10%。
  2. 新风机采用变频式,应具有高效过滤作用。
  3. 新风机安装过程中,应防止损坏过滤材料,并保持完好与清洁。
  • 机房温度指标

项目

机房温度

变化率

主机房(开机状态)

22±2℃

≤5℃/H

动力机房

18-28℃

≤5℃/H

  • 机房相对湿度指标

开机时的测试应在计算机设备正常运转1小时后进行。

 

项目

湿度

变化率

主机房

45-55%

≤5℃/H

动力机房

35-65%

≤5℃/H

  • 空气洁净度指标

机房空气洁净度依机器的要求而定,本机房根据国家标准《计算机场地技术条件》中A级的要求,即粒度(μm)≥0.5的尘粒数(粒/dm3)≤18,000。

  • 机房压力

主机房内应保持有正压力,对外界空气一般应维持10-20Pa的正压。

  • 空调给排水
  1. 机房内的给排水管道安装必须不渗、不漏,暗敷的管道宜用焊接连接。
  2. 机房内应安装有漏水报警装置。
  3. 空调用水应安装软化和过滤处理装置。
  4. 穿过机房内的给排水管道在穿越处应设套管,套管内的管道不得有接头,管子和套管间应采用非燃、不起尘的材料密封。
  5. 机房内的冷热管道的保温应采用难燃材料。
  6. 空调器的冷凝水排水管道应设有存水弯,其高度应符合设计或设备技术要求,并使排水管有足够的坡度。
  7. 空调、新风系统与消防系统实行联动,具有失火停风的功能。
      1. 供配电系统与照明
  • 供配电电源
  1. 供电电源应满足下列要求:

频率:50HZ;

电压:交流380V/220V;

相数:三相五线制和单相三线制。

  1. 国家标准《计算站场地技术条件》对机房的供电要求见下表。

项目

主机房

动力机房

电压(V)

<±5

-10~+7

频率变化(Hz)

<±0.2

±0.5

波形失真率(%)

<±5

<±7

  1. 机房的低压配电室为机房提供2路不小于120KW、250A容量的电源至机房进行ATS自动切换。供配电采用市电低压控制开关柜(带玻璃门)。
  2. UPS输出低压控制的数量视机房内UPS输出插座和接线盒数量确定,并应留有扩充余量。
  • 电气装置
  1. 电气装置的安装应做到整齐、牢固、正确、标志明确、外观良好、内外清洁。
  2. 电气接线盒内无残留物、盖板整齐、严密、紧贴墙面或地面;同类电气设备安装高度应相对一致。
  3. 吊顶内电气装置应安装在便于维修处。
  4. 特种源流配电装置应有明显标志,并注明频率、电压等。
  5. 电源盘、柜及其他电气装置的台座应与建筑楼地面牢靠固定。
  6. 空调和消防系统应有符合设计要求的连锁动作。
  7. 市电输出插座采用2极和3极组合10A插座,沿墙分布,每3米~5米距离安放1个。
  8. UPS输出插座在机柜内采用PDU,其中每个网络机柜布置2个16A PDU,服务器机柜布置2个32A PDU。
  9. 配电柜建议采用自动切换低压配电柜。
  • 配线
  1. 干线与电源盘,柜应采用压接端子连接。
  2. 机房内的电源线、信号线和通讯线应分别铺设、排列整齐、捆扎固定、长度留有余量。
  3. 电源相线、中性线,保护接地线,直流工作地线,各种信号线和通讯线的颜色应各不相同,并按设计要求编号。
  4. 电缆电线连接应可靠,不得有扭绞,压扁和保护层断裂等现象。
  5. 地板下管线应与地面保持一定高度。
  6. 所有电气装置、导线通电运行2小时后的温升,不得超过允许值。
  • 不间断电源系统
  1. UPS设备由投标单位负责采购、安装、调试,投标单位负责UPS主机及蓄电池柜的加固。
  2. UPS输出配电柜应有足够的余量(可至少支撑机房设备总用电量2小时或以上)和高度的可靠性,其每路开关与对应的插座、接线盒都有明显的标识(可按坐标位置标注)。
  3. 所有的UPS输出线缆均应穿铁管铺设并与地面保持一定的高度距离。
  4. UPS配电区域,应进行加固处理,UPS主机及电池柜均布置于承重钢梁上。
  5. 采用高频双变换结构和先进的全数字控制技术,带输出隔离变压器,能提供稳定、洁净、不间断的电源,并具备完备的网络管理功能;

并机方式:支持在线并机;

逆变器采用高精度矢量控制技术,输出电压稳压精度高,动态响应快,且畸变率低

逆变器具有带100%不平衡负载的能力

 

  • 电气照明
  1. 照度

测试仪器应为准确度二级以上的照度计。

测点,在工作区内2-4m间距布点。测点距墙面1m,距活动地板0.8m。

本工程机房照度要求为:机房区域正常照明条件下照度要求≥400Lx ,事故照明机房区域≥5Lx,动力间≥150Lx。

  1. 吸顶灯具底座必须紧贴吊顶,不留缝隙。
  2. 嵌装灯具应固定在吊顶板预留洞孔内专设的柜架上。
  3. 电源线应穿钢管或金属软管,且留有余量,并通过绝缘垫圈进入灯具,不应贴近灯具外壳。钢管及金属软管均应可靠地接保护地。灯具边框外缘应紧贴在吊顶板上,与吊顶照明金属龙骨平行。
  4. 成排安装的灯具和光带应平直、整齐。
  • 防雷接地

对机房内弱电设备的防雷接地设置要求如下:

  1. 防雷接地,要求严格按照有关标准执行(如《建筑物防雷设计规范》GB 50057等,能够确切保证系统和人身安全、数据和设备安全。
  2. 机房采用二级电源防雷标准。一级设置在UPS的出口端;二级设置在重要设备前端,并考虑等电位设计。信号防雷主要针对安防系统前端进行防雷。
  3. 应设置供电电源浪涌保护器以及UPS后的配电箱浪涌保护器。
  4. 各信息系统需要设置信号避雷器。
  5. 弱电系统的接地系统要考虑完整。采用综合接地方式。接地系统的接地体与强电专业共用,接地电阻小于1欧姆。
  6. 弱电机房和弱电井均要设置“接地端子箱”。
      1. 环境监控系统
  • 环境监控系统功能
  1. 监控中心可7x24实时查询机房内各监控设备的运行状态、运行参数及各种故障参数,并可提供各种实时动态曲线图,所有数据均可保存1年以上(根据用户要求可以增加)。
  2. 所有界面均为友好的人机界面。
  3. 系统对机房设备实行集中监测与控制。
  4. 报警可分多级报警,可根据不同监控对象而划分不同的报警方式,如屏幕报警、声音报警、电话报警、短消息报警等。
  5. 系统可根据不同的操作者划分操作权限。
  6. 支持远程浏览器WEB操作、可远程查看状态、修改参数。
  • 监控内容
  1. UPS电源系统。包含实时参数、工作状态、报警信息。
  2. 精密空调系统。监控空调的运行状态,可远程开关机。
  3. 供配电系统。对机房配电柜总线、空调输入线路、UPS输入线路及主要市电开关状态进行检测。包含实时参数、开关工作状态等。
  4. 漏水报警系统。对机房的精密空调及其进出水管进行检测。要求以电子地图方式实时显示并记录漏水线感应到的漏水状态和漏水位置,能够精确到1米以内。报警有图文显示、声音提示。
  5. 闭路监视系统、门禁系统及红外防盗报警。对机房的主要通道进行综合管理。
  6. 消防及新风机状态检测。实时监测消防、新风机状态,当消防报警时能与门禁等系统实施联动。
  7. 温湿度检测。以电子地图方式实时显示并记录每个温湿度传感器所检测到的温湿度数值,显示变化曲线图。可设置报警上下限值。
      1. KVM系统

KVM系统是为了对机房所有服务器等电脑设备进行集中化管理。

本期系统工程的建设规模要求:本次建设规模为支持250台服务器。带外管理系统传输可通过TCP/IP协议完成,实现远程BIOS诊断或系统重启动等深层功能,未来扩容方便且扩容时不改变原来系统结构。

  1. 可靠性:在金融行业的数据中心、也在ISP中有广泛应用,带外管理系统在国内有广泛应用。
  2. 支持接口:KVM系统可以支持各类服务器接口如SUN、PS2、USB以及串口接口类型等。支持热插拔服务器。要求单台KVM交换机的最大连接服务器端口数为32。
  3. 介质类型:所有线缆都应通过Cat5或Cat5e或Cat6传输,该介质从KVM交换机到被控服务器接口端能传输信号的最大距离超过30米(线缆在综合布线系统中统一建设)。
  4. 认证安全性:考虑KVM系统认证服务器的重要性,所有登录系统时必须中央集权认证,多层安全验证。认证的服务器需配备1主、1备作为冗余备份。
  5. 认证服务器的灵活性:认证服务器要求为软件方式,支持Windows、Linux、AIX和HP-UX四种操作系统。

要求认证服务器本身可以记录所有针对Linux平台服务器的操作日志,而不需要另外配NFS服务器。

要求提供邮件告警功能,系统管理员可以设置触发事件,一旦有操作人员输入关键命令,系统会自动发邮件给系统管理员。

  1. 数据传输安全性:要求键盘、鼠标、视频数据传输全程加密,并支持128位3DES加密技术。信号应是差异传输。
  2. 灵活性及良好的扩容性:系统应具备相当的灵活性及良好的扩容性,便于项目分期进行,从1000台到6000台,系统结构几乎不变,仅需在原有设计的基础之上增加KVM设备。在任何时候,无论是增加要被管理的设备数量还是增加用户终端数,均可以通过线性增加或改变相应的设备实现(热插拔),不影响系统的正常工作。
  3. 分辨率和画面:KVM系统支持视频信号的分辨率在1280×1024@75以上。在连接的不同分辨率服务器之间切换时,自动调节视频大小,无需人工手动调节。操作用户画面16位真彩显示以上。

不需要在被控服务器上安装任何软件。

  1. 权限管理性:可设置不同用户权限,管理相应权限的服务器;当操作人员的位置或职责权限变化时,或当设备位置变动或增加时,不需要对布线系统做结构化的调整,只需简单地通过软件的操作来调整(分组、鼠标拖拉等);管理员可以随时禁止远端开发人员登录,也可以随时允许登录。

系统内每台KVM设备独立工作,当某一台KVM设备出现故障,不影响整个系统工作,只需替换上备份设备即可。

如果设备掉电或出现故障,仍能保证服务器鼠标、键盘、显示器处于激活状态,换上备份设备后只需连上线缆,即可重新管理服务器,而不影响服务器的正常工作,卖方需说明当KVM系统发生故障时的恢复措施。

  1. 连接性:能够自动识别新添加的服务器,并且在屏显示出所连接的服务器名字,无须手动添加;系统并显示连接的服务器状态。
  2. 日志管理性:基于数据库可提供有关日志和报表以利于管理和决策。
  3. 分组管理性:对服务器和用户可进行分组管理。
  4. 操作模式:系统支持多操作模式(独占模式、视频共享模式和主机共享模式)。为提高维护方便性,支持屏幕的放大缩小,支持多屏显示。
  5. Flash升级:系统在升级时,应具备简便、快速的能力。
      1. 气体灭火系统

机房消防采用自动报警及灭火系统,气体灭火采用七氟丙烷灭火系统,采用全淹没方式灭火。

  • 技术要求

设备应设有自动报警装置,同时设有备用电源启动装置,保障在停电的状态下依然能够正常使用灭火系统进行灭火。

投标设备应有国家检测报告,经XX市消防局指定的检测中心确认合格的产品。

机房吊顶的上、下及活动地板下,应设置温感探测器和烟感探测器。

  • 电气控制要求

灭火装置应有自动控制、手动控制和机械应急启动控制三种起动方式。

自动控制应在接到两个独立的火灾信号后才能起动。

应在被保护对象主要出入口外,设手动紧急控制按钮并应有防误操作措施和特殊标志。

机械应急操作装置应设在贮瓶间或防护区外便于操作的地方,并能在一个地点完成释放气体前30s内人员疏散的声警报警。

被保护区域常开的防火门,应设有门自动释放器、在释放气体前能自动关闭。

应在释放气体前,自动切断被保护区的送、排风风机或关闭送风阀门。

对于组合分配系统,宜在现场适当部位设置气体灭火控制室,但装设位置应接近被保护区,控制盘(箱)应采取防护措施。

气体灭火控制室应有下列控制、显示功能。

气体灭火系统在报警或释放灭火剂时,应在建筑物的消防控制室(中心)有显示信号。

当被保护对象的房间无直接对外窗户时,气体释放灭火后,应有排除有害气体的设施,但此设施在气体释放时应是关闭的。

消防系统设计、施工及验收必需经过消防主管部门审批、验收。

第二章技术方案概述

    1. 方案结构概述

针对本项目建设的需求,结合安全、稳定、高效、节约的设计原则,在满足招标书各项要求的前提下,我方将就AAA数据中心机房工程建设提出我们的解决方案。我方的整体解决方案共分为以下7部分:

      1. 需求分析及技术方案概述
      2. 机房设备系统技术方案
      3. 机房工程系统技术方案
      4. 施工组织及项目验收方案
      5. 项目管理方案
      6. 售后服务及客户培训方案
      7. 附录
    1. 选型方案概述
      1. 机房装饰工程

按照功能与美观兼具的设计思想,在经济实用前提下,选择优质机房专用装饰材料,达到最佳装饰效果。为满足机房建设需求,我方选用的主要装饰材料均为知名品牌或具有较高档次的装饰材料。我方采用的机房装饰材料如下:

  • 防静电架空地板:沈飞无边抗静电地板(600*600),地板的荷重不小于500 公斤/平米,在承受载荷时(3000N )其挠曲量小于国标的2 毫米。
  • 金属吊顶天花:欧斯宝(600*600*0.7)微孔铝合金天花
  • 墙体扣板:彩钢板(格满林3mm18丝)
  • 玻璃隔断:12mm单片铯钾防火玻璃(金刚)
  • 墙体及楼面保温材料:PEF10mm保温棉(福乐思)
  • 12mm单片铯钾防火玻璃(金刚)门
  • 拉丝不锈钢(加厚) 防盗防火门
  • 彩钢板造型处理:运用科学、合理的装饰工艺,强度高、质感好、美观现代,且具有一定的屏蔽性能。
      1. 空气调节系统

计算中心机房属于大型重要的计算机中心。机房内有严格的温、湿度要求,机房内按国标GB2887-89《计算机场地安全要求》的规定配置空调设备。精密空调区域采用下送风侧回方式达到机房的室温、湿度要求。照精密机房温度要求机房温度控制在22℃±1℃,变化率2℃/小时,相对湿度控制在50%±5%,变化率2%—5%。空气含尘浓度根据相关通信设备的环境要求。含尘粒子为非导电、非导磁性和非腐蚀性的。

在本项目中,我方建议主机房选用意大利海洛斯Q14UW型号精密空调产品。

 

      1. 供配电及照明系统

UPS系统

在本项目中,我方建议采用APC PowerStruXure,该型产品的性能指标完全能满足本项目的招标需求。

选择APC PowerStruXureUPS系统的优势在于:

  • UPS主机为模块化、热插拔结构、模块冗余并联输出
  • 可用性高。控制模块、控制低压电源模块均为两块冗余配备,功率模块冗余并联输出,实际形成N+1冗余。
  • 可维护性高。全模块化热插拔设计,包括功率模块、控制模块、控制低压电源模块、通讯模块、显示模块、静态旁路模块、电池监控模块、外部维修旁路设计,均使得该系统维修时间缩短,维修难度降低。
  • 适应性好。该产品输入参数为功率因数0.99,输入谐波<6%,输出功率80KVA/64KW N+1,实际功率大,满足新型IT负载和发电机的要求。
  • 可扩容性好。如果今后负载增加,可以再插入功率模块,形成144KW N+1冗余。
  • 可管理性好。该产品标配多种通讯和管理卡,232,IP45,继电器接口,EPO,功能强大。
  • 柜体为黑色,19英寸机架式外观。与服务器机柜外观一致,可直接放在机房里面,和负载机柜并排安放。减少中间环节,提高系统可用性。降低其他配套系统的投资,缩短安装施工时间。
  • 采用外部维修旁路开关,提供真正意义上的不间断供电。
  • 占地面积小。只有1个服务器机柜柜体,
  • 只操作一套系统,操作简单,降低误操作的可能性,提高可用性。

机房配电系统

我公司在电气工程设计的一贯指导思想是:产品的质量安全保证第一、技术上构思合理、使用及维护方便。因此,在电气工程的设备选型上,我方选用的均为业界内知名品牌,其性能指标完全满足本项目招标需求,充分保证机房电气系统的安全性。

本项目的电气系统设计有如下特点:

  • 机房交流配电柜均采用华通(配施耐德空开)配电柜,采用模块化设计。元件布置合理、匀称,外表美观。性能可靠、安全。
  • 电源布线采用松日系列插座及启帆和业达电缆。机房内所有的强电、弱电线缆应穿金属槽(管)敷设,强、弱电线缆不能共槽(管)敷设。
  • 中心机房灯具采用(XX凯达)镜面不锈钢灯架格栅式日光灯组,规范为:600×600,灯管采用荷兰飞利浦灯管,亮度高,无眩光,照度均匀,噪音低,起动快。给人一个崭新、安全、高效、舒适的工作环境。

防雷接地系统

对于机房接地系统,我方推荐采用OBO防雷系统,产品为18个月保修期,我公司将为客户提供完整的工程服务。真正能为客户解决了后顾之忧。

在有计算机设备用电的抗静电地板下,设有逻辑地接地网。机房等电位接地的接地电阻不大于1Ω。

      1. 环境监控系统

集中监控系统通过一个终端集中展示主机房系统、网络、机房环境及机房配套设备的运行参数、工作状态和报警信息,实时监控各应用和设备。值班人员可以只通过一个大屏幕集中监控主机、网络、机房环境及动力等设备,随时掌握变化情况,一旦发生故障,通过声音、图像显示、短信及时通知相关人员处理,为维护人员分析问题、定位问题和解决问题提供直接的帮助,使监控工作更加直观、方便。

      1. KVM系统

对于KVM系统,我方选用AVOCENT KVM系统。

AVOCENT可以对数据中心内所有连接的服务器和串行设备进行 BIOS 级的控制,能够远程管理和重启所连接的设备,并在网络出现故障时提供外置调制解调器支持。AVOCENT配备有与 Internet Explorer、Mozilla、Firefox 或 Netscape 兼容的板载 Web 接口,可用于访问和控制基于 IP 的服务器。

作为管理员,您可以使用AVOCENT,像亲临现场那样管理远程数据中心和分支机构。这样,通过提供对所连接的任何服务器或设备进行便捷的访问和控制,降低停工时间

增加 DSView® 3 管理软件,并获得集中管理 DSR KVM 交换机和所连接服务器的优势。. 通过 DSView® 3 软件的一个常规接口,您可以访问和管理控制台和电源管理装置。它还提供了安全访问身份验证、故障转移中心和分支结构、事件通知,并具有对启用了 IPMI 的服务器的访问权限。

在与选定的 DSR 交换机配合使用时,您可以通过 DSView 3 软件的虚拟媒体功能,将本地存储媒体映射至远程服务器。

 

      1. 气体灭火系统

AAA数据中心机房设置七氟丙烷全淹没灭火气体灭火系统保护,本公司将结合专业的施工设计经验、国家相关规范以及甲方要求,聘请XX专业设计院设计。其灭火机理是:七氟丙烷的灭火过程是活性化的。其主要反应是在分子阶段物理化冷却火焰。七氟丙烷和冷却用化合物同属一类。因此,它是一种有效的热转换剂。它可实质性地把火中的热能消除,以至使燃烧反应不能维持下去。另外,七氟丙烷还具有一种化学灭火反应。它在火中释放痕量游离基,以最终阻止燃烧的连锁反应。

      1. 机房综合布线

综合布线系统工程设计应采用当今先进的网络技术,实现网络数据高速有序流通,最大限度保护网络的安全、稳定、高速性。将建筑物自动化(BA)、通信自动化(CA)、办公自动化(OA)等设施综合考虑,分别实施。

我们将严格按照ISO11801等国际布线标准设计及施工,将AAA数据中心机房建设成为一个技术先进、性能可靠、功能齐全的系统。

综合布线采用全套泛达公司六类产品(包括模块、面板、配线架、理线器、水晶头、跳线等)。采用的设备都是标准化的,模块化的。易于扩充和配置。

第二部分总体系统集成方案设计

本文档是针对AAA数据中心机房集成项目的具体要求,并结合众多高端客户尤其是金融企业的实际案例而提供的系统集成建议方案。

  1. 机房布局设计

数据中心机房数据中心机房总建筑面积约为178平方米,使用面积约为123平方米。分为三个功能区域,分别为主设备机房、动力机房、操作间、钢瓶间。各间需要单独隔开。隔开后主设备机房用于放置配线柜、机柜、服务器、小型机、网络设备、通讯设备等重要设备;动力机房放置UPS、电池、配电柜等。

机房的布局必须在满足国家相关规范(例如防火消防规范等)前提下,考虑布局的合理、可靠、安全和工作流程舒适性为布局设计原则。

  1. 机房完全按照国家精密机房标准设计,保证机柜间距离大于等于1.5米;
  2. 尽量减少最大消防分区的面积和体积,以节约消防系统造价;
  3. 机房布局设计在美观的前提下保证布局的合理性,减少不合理的空间浪费;
  4. 机柜布局尽量和精密空调送风方向平行,利于下送风空间的气流畅通;
  5. 动力间及精密空调区尽量远离有人值守区,减低有人工作区的噪声;
  6. 动力间及设备间的布局充分考虑到将来线缆(强电和弱电)的走向,合理的布局可以大大的减少线缆和线槽的数量,以提高整个系统的性价比。

根据以上设计思路,我司设计的AAA数据中心机房布局图如下:

    1. 消防分区规划

机房规划1个气体消防分区,详见图纸。

    1. 机房设备规划

详见图纸。

    1. 机房区剖面分配

设计机房活动地板下350mm净空高度;机房顶作防尘、防水处理,采用顶部开放式布线系统,不做吊顶。

  1. 机房地板下空间350mm,机柜2.0米。
  2. 机房净高2.5米,上部双层吊顶净空高度为250mm;
  3. 机房消防区采用无管网自动气体灭火系统。其“六面”围护需密闭。

 

  1. 机房装饰工程
    1. 需求概述

众所周知,电子计算机机房装饰,不同于普通的宾馆、家庭装饰,机房装饰工程是一项系统工程,是现代科学技术和装饰艺术的综合。机房内放置有复杂的电子设备和机电设备,对装饰的要求,主要是满足计算机对机房提出的技术要求,在机房装饰艺术上以既大方舒适,又满足其技术要求为原则。对装饰材料的选择要达到吸音、防火、防潮、防变形、抗干扰、防静电等要求。装饰后,要使整个机房色调柔和、通透宽敞、不压抑、舒适。以其达到现代化的装饰水平和视觉效果。

计算机系统对内部温度、湿度、洁净度,以及电磁屏蔽、防静电、电源防雷、各种接地、不间断电源、特殊照明及震动等方面有特殊要求,机房装饰工程就是满足计算机及系统设备服务的对运行环境的要求;而电气系统是所有设备及照明的动力源;加上众多弱电子系统组成了高度智能化的计算机房系统。

AAA数据中心机房装修工程主要工程内容有:机房地面工程、墙柱面工程、天花工程、门窗工程、电气及管槽工程等

    1. 机房装饰规划

本次AAA数据中心机房建设项目工程,根据机房的功能用途不同,但机房内所配置的设备及机房装修规格基本相同,在部分区域设置特定的功能区,与机房设备区分割开来。

  • 机房功能区

机房功能区是中心机房的数据处理及监控中心,对机房环境、供配电、温湿度及洁净度要求非常严格,需要建立一套安全、可靠、稳定、标准的计算机房场地环境。我方建议主机房功能区按国家标准金融企业机房规划建设。

在本方案中,将主要针对以机房功能区提出我们的机房装修解决方案。

机房功能区采用的装饰规划材料包括:

      1. 吊顶工程

考虑计算机房的技术要求以及机房高度要求,整个中心机房天花吊顶建议选用一层天花。上面采用贴保温棉,这一层天花的作用是防潮、防尘,并有保温效果。下面一层采用全铝喷塑微孔天花板,规格600×600mm,此天花的特点是:色调柔和,不产生眩光、防火、防潮、易清洁、吸音。是目前在计算机房装修工程中采用的天花材料。我们选用欧斯宝金属防静电天花,该材料与国产同类材料相比,具有价格适中,品质优秀的长处,它同时具有平整度高、色泽一致的特性。与金属天花格调一致,照明采用600×600mm格栅灯,照明灯具均匀分布于天花吊顶上,以便产生协调的装饰效果。

机房天花施工须注意:

    1. 对吊顶部分进行防水、防漏处理,还需刷防尘漆,确保天花基础部分不起尘,并且充分考虑环保、防火、美观及其它要求。
    2. 在天花板上安装隔温棉,起防潮隔温作用。
    3. 天花上部的线槽及天花板部份都要接地。
      1. 机房地板

根据AAA数据中心机房建设精密机房的需要,我们建议防静电地板采用沈飞600*600mm进口贴面全钢抗静电无边地板,该防静电地板由钢板制作,表面采用进口抗静电涂料,抗静电效果良好,此外还具有防火、防潮作用;该地板配合精度高,且美观、整洁、耐用、其抗静电、耐磨、承受力等各项指标均可与进口复合抗静电地板比美。

我们建议AAA数据中心机房防静电活动地板的安装高度为350mm左右,活动地板下面可以用作机房内的强弱电及消防等管线、相关电气设施(插座、插座箱等)铺设。

机房防静电地板安装工程中,地面预处理最为关键,在铺设地板前必须先对地面进行较好的预处理,首先抹平机房地面,作防尘、防潮处理,再开始刷防潮漆,起防潮、防霉作用,然后再刷防静电水泥漆一遍,最后将10mm保温棉铺在地面上,起到保温、隔热、防潮作用。至此,地面预处理完成。

地板板面标高350mm,具有足够空间形成地板下净压风库并结合供配电系统的设计及施工。

在地板施工中,还要注意异形地板(如风口地板、走线地板、电源插座安装地板等)的安装。地板板面上设置终端及其它设备使用的机房防水专用插座,用时开启,不用时闭合,即能保证使用方便,又能保证安全,克服了以往接线要翻地板的缺点。保证地板工程的防静电效果、接地效果。

在机房综合工程完成后,一般还要留下4块或更多的地板,在地板上预留好引线孔或专用插座,在以后机房增加设备时,直接用其替换原有地板即可。

      1. 机房墙面

墙面装修通常包括墙面处理、抹灰饰面及隔音屏蔽处理。墙面处理是指采用在机房建筑物的墙面、柱面上进行防尘、防潮、防水、保温处理,抹灰饰面是指采用砂浆涂抹在建筑物的墙面、柱面上的一种装饰技术,使房屋内部平整、光滑,清洁美观,增强保温、隔热、隔音、防尘等性能,抹灰饰面一般采用石灰砂、水泥砂浆等,面层有水刷石、水磨石、喷涂等。隔音屏蔽处理是指在主机房的周边围护采用金属铝塑复合板,进行隔音屏蔽处理。

由于精密机房的洁净度要求非常高,在本系统中使用彩钢板进行装饰,具有防水功能,不仅能防止水分渗透墙壁,更能发挥防霉功能,在阴冷潮湿环境下也可以保护墙壁。

  • 机房墙体基层处理(防尘、防潮处理);
  • 机房四周墙面采用石膏板基底,彩钢板饰面,采用彩钢板贴面时,墙体内壁用40mm铝箔玻璃纤维保温棉进行保温处理。
      1. 隔墙及门窗

精密机房的隔墙推荐采用防火硅胶粘合的彩钢板,精密机房的门采用防火防盗门,门的装饰风格与整个机房协调一致。机房区域与大厦玻璃幕墙面增加贴一层防火膜,并加装窗帘。

    • 门框、窗框、隔断墙的规格型号应符合设计要求,安装应牢固、平整,其间隙用非腐蚀性材料密封。当设计无明确规定时隔断墙沿墙立柱固定点间距不宜大于800mm;
    • 门扇、窗扇应平整、接缝严密、安装牢固、开闭自如、推拉灵活;
    • 施工过程中对门窗及隔断墙的装饰面应采取保护措施;
    • 安装玻璃的槽口应清洁,下槽口应补垫软性材料。玻璃与扣条之间按设计要求填塞弹性密封材料,应牢固严密。

边界隔墙内部填充屏蔽网,结合接地系统,降低电磁干扰,以符合机房内的磁场和电磁干扰的强度要求。

      1.   场地降噪、隔热
  • 机房内的噪声抑制在62db之下
  1. 主要噪声源在精密空调,动力室和主设备间内安装多台空调,噪声级达72db以上,为防止噪声侵入其他场地,该区域与相邻场地之间,设置了具有隔声40db的隔声墙,使侵入操作室和监控室噪声控制在50db之内。
  2. 活动地板下送风静压箱内送风主风流风速在3.3m/s之下,其噪声不超过60db。地板隔声能力为40db,考虑到地板送风口漏噪因素,进入机房的噪声完全可以抑制在55db以下。
  3. 综合各种因素机房内由于空调产生的噪声指标设定在62db,(国家标准规定:在主控台处不大于68db)
  • 减少机房区与相邻场地之间噪声串扰(噪声40db)

整个机房区与管理办公区之间设置了具有40db抗噪声能力的围墙(围墙的“硬板”——声音阻尼;保温层——吸声)。有效的避免了两个区域之间的噪声干扰。

      1. 场地净化
  • 机房区洁净标准为:A级,每升含尘量≤18000粒(粒度≥0.5微米)《电子计算机机房设计规范GB50174-93》:
  1. 尘源主要为从外界引入的新风,新风滤尘效率控制在70%以上;
  2. 精密空调机滤尘效率控制在95%以上;
  3. 机房区内设置了正压新风系统,室内比室外气压高9.8Pa;可有效的拒灰尘于室区外。
  4. 精密空调循环送风量在16200m3/H,本工程采用的空调机循环风量可将室内空气每小时循环过滤85次以上,在市区大气含尘量的特定条件下,空调气流循环次数在20次/H时,机房含尘量便可控制在A级水平。
  5. 主要机房的洁净度应优于相邻的一般机房,其措施为:主要机房因其热载大于相邻的一般机房,前者注入的冷气亦大于后者,因而主要机房内的气压略高于相邻机房(约4.9pa)——主要机房“拒灭尘于”相邻的一般机房。
  • 精密空调区域护墙饰板采用光洁的塑铝板,地板下送风静后箱内的地坪、顶棚均做较周密的防尘处理,散尘量均受控制。
      1. 场地防水

精密机房中最可能出现漏水的地方是空调冷凝水和地板结露渗水。下面分别对这两种情况提出解决方案。

  • 空调机冷凝水排放方式有两种方案可以选择:
  1. 精密空调系统安装冷凝水排放箱,通过提升泵提升后,引至大楼同层卫生间排水口。
  2. 打穿楼板,通过预设的排水管道,排放到下一层的卫生间。

在本项目中,我们采用第一种方案。在施工过程中,精密空调的进排水管的布放,须严格按规范工艺施工(水管进出水口高差控制,水管防漏…)。

  • 防新风气流因温差结露
  1. 机房区的新风直接引自室外大气,高温季节,湿度大时,引入的新风与机房内23℃±²℃气流相遇时会产生少量冷凝水,本设计的措施是:
  2. 室外新风引入新风机,经新风机滤尘增压后,由风管引至空调机上部回风口,新风风流会同空调机回风气流一同经空调机进行调温、调湿、除尘,再随空调大气流送入机房空间,如产生少许积水,是积在空调机机体内的“积水盆”内,继由空调机排水管排至室外。
  • 防止因空调机加湿器,进排水管损坏漏水
  1. 本工程BA系统中,在空调室地面设有漏水自动监测系统,可实时定位的监测地面漏水状况。
  2. 防止相邻的水灭火区消防喷水及其它水源浸入机房区
  3. 本工程精密空调区地坪安装绝热层,缓冲地坪上、下两者温差。
  4. 在机房四周及精密空调主机周围设100mm高防水地垄。
      1. 机房照明

照明的总要求是:光线柔和,适合人体的生理需要,不能因光源产生干扰而影响计算机的正常工作;

机房内照明的质量要求:合理的照度、眩光、光的颜色、光效阴影以及照明灯具产生的电磁波对计算机的干扰;

本机房照明使用PHILIPS的(600╳600mm)3╳18W机房专用无眩光多隔栅灯盘配套使用,主机房照度达到500LUX,故障照明达到50LUX。故障照明供电回路配有独立应急供电系统,当市电停止时自动转入应急供电系统;

安装灯具时注意事项如下:

  1. 吸顶灯具底座紧贴吊顶, 不留缝隙。
  2. 嵌装灯具应固定在吊顶板预留洞孔内专设的框架上。电源线应穿钢管或金属软管, 且留有余量, 并通过绝缘垫圈进入灯具, 不应贴近灯具外壳。灯具边框外缘应紧贴在吊顶板上, 与吊顶明金属龙骨平行。
  3. 成排安装的灯具, 光带应平直、整齐。
  4. 室内顶棚上安装的灯具、风口、火灾探测器及喷嘴等应协调布置, 并应满足各专业的技术要求。
  5. 灯具的下水平面与吊顶持平;
  1. 空气调节系统
    1. 规划设计

精密空调区域采用下送风上回方式达到机房的室温、湿度要求。照精密机房温度要求机房温度控制在22℃±1℃,变化率2℃/小时,相对湿度控制在50%±5%,变化率2%—5%。空气含尘浓度根据相关通信设备的环境要求。含尘粒子为非导电、非导磁性和非腐蚀性的。

    1. 机房空调负荷设计
  • 机房主要热量的来源
    • 设备负荷(计算机及机柜热负荷);
    • 机房照明负荷;
    • 建筑维护结构负荷;
    • 补充的新风负荷;
    • 人员的散热负荷;
    • 其他热负荷等。
  • 机房热负荷分析

计算机设备热负荷:Q1=860xPxη1η2η3        Kcal/h

Q:计算机设备热负荷

P:机房内各种设备总功耗

η1:同时使用系数

η2:利用系数

η3  :负荷工作均匀系数

通常,η1η2η3取0.6—0.8之间,

本设计考虑容量变化要求较小,取值为0.6。

  • 照明设备热负荷分析

照明设备热负荷:Q2=CxP  Kcal/h

P:照明设备标定输出功率

C:每输出1W放热量Kcal/hw(白炽灯0.86口光灯1)根据国家标准《计算站场地技术要求》要求,机房照度应大于2001x,其功耗大约为20W/M2以后的计算中,照明功耗将以20 W/M2        为依据计算。

  • 人体热负荷分析

人体热负荷:Q3=PxN  Kcal/h

N:机房常有人员数量

P:人体发热量,轻体力工作人员热负荷显热与潜热之和,在室温为21℃和24℃时均为102Kcal。

  • 围护结构传导热分析

围护结构传导热:Q4=KxFx(t1-t2)       K cal/h

K:转护结构导热系统普通混凝土为1.4—1.5

F:转护结构面积

t1:机房内内温度℃

t2:机房外的计算温度℃

在以后的计算中,t1-t2定为10℃计算。

屋顶与地板根据修正系数0.4计算。

  • 新风热负荷分析
  • 其他热负荷:Q5=860xP

除上述热负荷外,在工作中使用的示波器、电烙铁、吸尘器等也将成为热负荷,由于这些设备功耗小,只粗略根据其输入功率与热功当量之积计算。

    1. 机组选型

现根据上述的计算结果,精密空调区选用先进的意大利海洛斯Q14UW型号精密空调,数量2台,1+1冗余备份工作,机组自动切换。,满足本项目需求。

Q14UW单台送风风量为12900m3/h,机房容积根据 123 m2* 2.5 m=307.5m3,机组工作可实现房间换气次数为每小时42次,符合机房规范。

(1)选型依据:

按机房规划,机房分为2个区域,1个为数据中心机房区域,1个为UPS机房区域。从设备投资经济性、整个空调系统简化性以及现场施工条件几方面综合考虑,并结合金茂大厦物业所能提供的条件,建议机房内配备水冷型(内置板式冷凝器型)空调机组,利用大楼提供的23-32摄氏度的冷却水进行热交换。

A、数据中心机房区域:

根据招标文件技术要求,要求选用单机制冷量大于40KW的水冷型精密空调机组,且1+1冗余备份工作,即选用2台制冷量大于40KW的水冷型精密空调。

B、UPS机房区域:

    根据UPS机房的配置情况并考虑日后可能会安装机柜,建议选用1台制冷量为30KW左右的水冷型精密空调。

(2)空调选型:

A、数据中心机房区域:

选用意大利海洛斯Q14UW型号精密空调,数量2台,1+1冗余备份工作,机组自动切换。

Q14UW型号精密空调为双压缩机、双室内风机制冷机型,下送风,上回风,单机制冷量为45.1kW,风量12900m3/h,完全满足机房制冷需求,并有一定余量。由于选用双制冷系统机型,更增强了安全可靠性。

B、UPS机房区域:

选用意大利海洛斯P08UW型号精密空调,数量1台。P08UW型号精密空调下送风,上回风,单机制冷量为30.2kW,风量8000m3/h,完全满足机房制冷需求。

2、所选机型详细参数

 

型  号

Q14UW

原产地

意大利

单机总冷量

45.1Kw

单机显冷量

44.8KW

风量

12900m3/h

室内风机数量

2

风机输入功率

3.78KW

送风方式

下送风、上回风

风压

50—350Pa现场可调

压缩机数量

2

压缩机输入功率

8.8KW

显热比

0.99

室内机噪声

58dB(A)

电加热量

15Kw

加湿量

13kg/h

空气过滤器

G4过滤器

外形尺寸

1750(长)×850(宽)×1950(高)

重量

600Kg

 

型  号

P08UW

原产地

意大利

单机总冷量

30.2Kw

单机显冷量

28.0KW

风量

8000m3/h

室内风机数量

1

风机输入功率

2.28KW

送风方式

下送风、上回风

风压

50—350Pa现场可调

压缩机数量

1

压缩机输入功率

6.0KW

显热比

0.93

室内机噪声

53dB(A)

电加热量

7.5Kw

加湿量

9kg/h

空气过滤器

G4过滤器

外形尺寸

1000(长)×850(宽)×1950(高)

重量

425Kg

 

    1. 产品的性能和特点

意大利HIROSS公司成立于1964年,总部设于意大利米兰。它自成立以来一直致力于开发具有最新、最先进技术的高品质空调系统。海洛斯的所有产品均遵照国际公认的BSEN、ISO9001标准制造,并获ISO9001质量认证及欧洲制冷协会(EUROVENT)认证证书,早已成为欧洲销量第一的品牌。

HIROSS机房专用空调在世界各地占有较大的市场份额。进入中国市场近三十年来,海洛斯机房专用空调产品已成为中国电信、中国移动、中国联通、中国网通、金融、铁路、政府机关等行业主要使用的品牌。

HIROSS系列空调产品主要有以下特点:

1、品种齐、规格全:

HIROSS空调有水冷、风冷、冷冻水、风冷双冷源、水冷双冷源型等多种机型。送风方式有上送风、下送风。

2、模块化设计、使用灵活:

HIROSS空调Himod系列的常用基本模块从20KW到140KW制冷量,每个系统可容纳的最多模块数为16个。在一个系统的每个模块中都有独立的控制器ICOM,用户可以在ICOM板上设定每个模块的工作参数。模块化专门设计的空调机组机架和部件的布局,使得Himod空调在同样容量的机组中,成为结构紧凑,占地最小及重量最轻的机型。由于模块化体积小便于用户安装与搬运和不断扩容,是目前世界上最先进的模块式机房专用空调。

数据中心机房建设方案

3、涡轮式高效风机:

风机借鉴喷气式飞机的发动机原理,风机的叶轮采用新型涡轮式,双叶片反向转动,吸气和排气同时运行,提高了送风效率。与其他品牌采用的离心式皮带驱动风机相比,相同风量下可节能0.7KW的输入功率,大大为用户节约了经济成本。由于这种风机采用含油轴承并经过动、静平衡的校正,噪音大大降低。

    风压现场可调:

    机组标配有风量自耦变压器,实现风压现场可调,克服了传统技术在现场风压不可调的局限。风机的电机采用多级调速控制,送风压力可从50PA到350PA,用户可根据机房送风距离现场调整相应的压力,使送风距离增大。以保证温湿度场分布均匀,这点是其他品牌所不能做到的。

    HIROSS空调室内风机采用自动润滑轴承,风机本身允许电压范围大,电压波动时,性能能保持最佳,无需日常维护。这与离心皮带驱动风机需经常更换皮带相比,一方面避免了皮带驱动所带来的机械偏转和粉尘污染问题。另一方面又为用户大大减轻了日常的维护工作。

4、过滤效果好:

HIROSS空调采用G4过滤网,采用符合纤维材料,过滤面积大、吸附能力强,风流损失小,再生纸制框架,更加符合环保要求;褶状滤网,较大滤网面积可使压降减小。

5、蒸发器专利技术:

    HIROSS空调采用多层盘片大面积蒸发器、增大了蒸发器面积,使焓差值提高到0.95,提高了热交换效率,翘片材料表面经专利技术特殊防水涂层处理,不粘水,减少了冷凝水在其表面的停留时间,可防止水份重新吹至机房内,提高除湿效率及防止电路的瞬间短路现象产生,降低了风阻和噪音,换热效果好,可产生更大的显冷量,用于抵消计算机设备由于耗电而产生的发热量,HIROSS空调是目前机房专用空调行业显热比SHR值最高的品牌。

6、优质高性能压缩机:

采用世界最大的压缩机制造公司美国COPLAND全封闭涡旋式压缩机,效率高,噪音小,能耗低。

7、三级电加热器:

数据中心机房建设方案

 

HIROSS空调采用铝质翘片制成的电加热器,加热表面积大,表面温度低,防止空气离子化效应,并可平稳三相电压,运行平稳,避免了其他品牌表面温度高、故障率高的缺点,设有温度控制器防止加热器过热,以延长使用寿命,三级电加热,可根据被控空间内的实际温度波动趋势进行精确计算,可准确无误地启动加热级数,将房间所需的加热量输出到被控空间中,这样一来避免了其他加热方式对用户电力资源的浪费,大大为用户节省了机房专用空调的运行费用。  

8、高效加湿系统:

高效率的蒸汽发生器型加湿器,配有全自动的节能控制电路,自动补水、排水以调节加湿量。由耐高温塑料材料制成的加湿罐,加湿量大,不易结垢,方便清洗及更换。

9、独立功能的模块:

每台机组均可以完全独立运行。每台机组均具备电脑控制、制冷、加热、加湿、除湿功能。

10、节省空间:

安装维修简单方便,室内机组检修空间大,全部正面维修,可靠墙放置,左右两侧不必留维修空间,节省安装空间。

11、静音效果:

(1)气流噪声—HIROSS在风机出口和地板之间,有一极大的送风静音(区),   以增加静态压力,改善气流组织,降低气流 噪声。

(2)机械噪声—HIROSS采用终生自动润滑性轴承(含油轴承)运转平稳,安静。风机完全安装在具有减震作用的有弹性可支 撑的基座上,以最大限度降低 结构震动及噪音的产生。

(3)电磁噪声及整体措施——HIROSS采用可循环使用的工业材料,对环境保护起着积极的作用。

12、维护方便:

数据中心机房建设方案

HIROSS空调是按快速接点设计,所有操作、

维护皆在正面进行,可靠墙安装,左右侧及背部

无需留任何维护空间,所有的模块允许并排放置,

两侧也不必预留维修空间,为用户节省了其他设备

的摆放空间,增加了经济效益,不仅安装简单,更

换零部件也简单方便,加快了维修速度。HIROSS空调独特的专用检修窗口的设计,将常规维护接口集中在统一的操作空间,可以为日常维护人员提供最人性化的操作便利性。

13、来电自启动功能:

设有低压停机及断电延迟开启功能,即当市电恢复正常以后,可在设定60秒时间内自动开启运行。

14、灵活的环保选择:

HIROSS空调可直接更换环保冷媒R407C制冷剂(选件)。主机润滑油可通用,且对人体无害。

15、微电脑集群图形控制器:

 

数据中心机房建设方案

HIROSS空调机组的微电脑集群图形控制器:具有齐全的自保护、自检测、状态控制、状态记录等功能,可根据需要方便地调整运行参数。具有自动控制空调房间的温度、湿度、洁净度等的功能。操作界面显示有优良的人机界面,显示图形要求简洁明了直观。并显示系统中所有的运行控制参数及有关信息,并连续监控机组的运行情况。空调机组微电脑控制器RS485接口,可提供远程计算机监控接口和功能。能直接在空调机组控制器面板上对各种制冷参数进行设定,并能监控空调机组各个部件的运行,能记录主要部件工作时间。空调机组设有制冷延时功能,防止压缩机频繁起动。各部件可自动分时、延时起动,减低起动电流。空调机组发生故障(如过滤网需清洗或更换、压缩机故障、电加热故障、加湿器故障、风机故障、冷凝器故障、温度过高或过低、吸气压力过低、排气压力过高等)时,能发出声光报警信号并在显示屏上显示。空调机组之间的控制能互相连接、互为通讯、互为备份。可根据制冷要求控制启动空调机组的数量及可设定定时轮换工作。当任一机组故障,可自动停机及自动切换至备份系统,并发出声光报警。

16、智能化控制、人性化控制:

A、控制功能:可根据环境温湿度与设置值的差值控制压缩机,加湿器,加热器,去湿阀的开启,关闭等,根据警报信息关闭相应的元件,某些控制功能可根据具体情况调节,比如:比例+积分控制,重新启动方式,低压报警延迟等;

B、显示功能:控制器具有带背景光的液晶显示屏幕,通过显示特定的直观图形反映空调机的工作状态,同时也显示当前时间及温湿度数据,当系统出现故障时会有声光报警,还可显示系统设置点及配置参数,能永久显示温湿度及系统状态;

C、储存记忆功能:可按顺序储存有关故障和关停机信息,可自动扫描出过去24小时的温湿度曲线,保证维修人员能充分了解空调机的工作状态,使得空调机的免维护性更加突出。同时显示运行机组的所有信息。通过特定的键盘操作,可改变设置和控制参数,将空调设置在节能运行状态。如在晚上及节假日可将空调设置在静默运行状态,机组会视环境情况及设定的时间周期进行自动控制运行;

D、联网监控功能:通过监控软件可同时对不同地区的空调机进行联网监控。

17、采用主/协二级控制器系统联控、程序运行方式:

HIROSS空调采用独一无二的ICOM数字式控制器和中央集群图形控制器相结合的主/协二级控制系统,可靠性高。既可以任意按照用户的要求进行主、备机的运行方式设置,使空调实现轮流循环工作的集群控制方式(通过设定时间周期,模块之间可以自动切换,轮流运行),又可向用户提供完整的设备监控功能,而且其故障不影响每个模块的运行。

通过集群控制器作监控时机房内只需提取一个监控输出点即可完成对机房内所有空调的监控工作,大大减轻了监控人员的工作量,降低监控成本,提高工作效率。最为重要的是,如以后进行空调扩容时只需加装空调主机即可,控制部分无需增加任何硬件,在监控系统上也无需投入任何成本即可实现扩容设备的联网监控功能。

    HIROSS空调最新的智能化ICOM控制系统可以象电脑一样实现即时软件升级,只需和电脑直接连接,就可完成程序升级、参数修改等功能。通过ICOM控制系统,还可通过设置IP地址及TCP/IP协议转换,直接同互联网相联,实现远程的遥控操作,方便管理。

总结:

HIROSS机房精密空调具有高效、节能的突出特点:

(1)大风量机组可以提高室内空气与蒸发器的热交换效率,使得机组冷量散发至机房内,风量在5200-25000m3/h范围,并且风压现场可调,是目前同类产品中最先进的。

(2)SHR值为显冷量与总冷量之比,HIROSS机房精密空调显热比值均大于0.9,产生最大的显负荷,实际上在正常运行中时,几乎产生100%的显负荷,这意味着几乎所有的冷量都用于驱散由电子设备所产生的热量,在不需要除湿时,没有浪费能源。

(3)EER(能效比,仅指室内机组)值越高,说明产品本身越节能。HIROSS机房精密空调EER值是目前同类产品中最高的,这缘于其对涡旋式压缩机及涡轮新式风机和蒸发器专利技术的集成结果。

(4)目前HIROSS空调与其它同类空调产品相比,节约大约20%-25%的运行成本,即节能20%-25%。

    1. 实施方案
  • 空调主机就近安装在相应部位。
  • 凝结水的排放:系统中设计了凝结水提升水泵,排至本楼层卫生间。提升水泵前加装单向阀;
  • 加湿器补水管:采用PPR管道. 在取水点加装电磁截至阀与机房地下有水报警联动,一旦出现漏水报警,不管任何原因引起漏水报警,首先切断补水管路。
  • 机组带有火灾报警联锁装置,允许与机房火灾报警系统联网。

 

数据中心机房建设方案

    1. 精密空调气流组织
  1. 根据国家关于机房工程的相关规定,采用“下送、侧回”的回风方式,空调区域安装架高350mm的活动地板,地板下净高350mm,为空调送风静压箱;动力间与设备间设置回风隔栅;空调区域内的送风静压箱全部连通敞开。空调区域内的内隔断坐落在地板上部空间,不影响静压箱的送风。
  2. 部分活动地板开孔(专用送风口地板)、地板下空调送风风流经此送入机房空间。送风口地板的数量和安装位置作严格测算,以保证送风风速控制在≦3.3M/s。送出规定的风量、冷(热)量,经扩散后,可将风流降至0.25M/S以下。
  3. 空调室内的空调机组底部送风口与地板下送风静压箱相通。空调机运转时,底部产生机外余压(正压),顶部回风口同时产生相应的负压——空调气流在机外余压驱动下直接打入地板下的送风静压箱,而机房区的回风风流在空调机负压的“吸引”下,通过机房空间和各隔断上部的格栅回入空调机回风口。
  4. 回风气流经空调机调温、调湿、虑尘、增压后再由送风口输出,驱动空调区内空气周而复始地循环运行。
  5. 网络间地板下安装导风板,将精密空调气流导入网络间内。
  6. 在同一精密空调分区内有房间隔断,隔断上方装400mm回风格栅供空调回风。

本风流组织方案的明显特点是:

    1. 送风主风流限制在地板下,场地上的风流是从地板风口进入机房空间的。
    2. 通过改变送风口地板的数量,提供不同的风量、冷(热)量。
    3. 机房一般热载较一般机房大,前者因送入风流(冷量)大于后者。因而前者室内气压高于后者(指标规定大于等于4.9Pa),可避免后者室内的灰尘进入前者室内。
    1. 方案优点
  1. 可提供足够的冷量来满足机房负荷的要求。
  2. 机组可以进行加湿及减湿,以便达到精密的湿度控制。
  3. 机组具有加热功能,配合制冷系统可对机房的温度进行精密控制。
  4. 机组具有高效过滤系统,可使机房达到设计规范要求的洁净标准。
  5. 机房所配精密空调带有漏水报警器,可对漏水情况进行实时监测。
    1. 空调室内室外机位置建议
  • 室内机安装建议

基本要求:

  1. 房间整体通风顺畅,送风、回风无障碍。
  2. 安装位置综合考虑,结合上下水、液管、汽管连接。
  3. 室内机安装处防静电地板下电缆等妨碍出风的物体较少。

如现场无特殊要求,当室外机高于室内机时,建议垂直最大距离为25米;当室外机低于室内机时,建议垂直最大距离为9米;建议管道总长不超过60米。

 

 

数据中心机房建设方案

数据中心机房建设方案

  • 室外机组的安装方式

 

数据中心机房建设方案

注:安装方式的称呼是以风机的轴流风向确定,不是设备的安装形式。在空间允许情况下,建议采用直立式安装。

    1. 售后服务

1)保修期:设备调试开通后36个月。

2)保修期内的服务内容:

保修期内,在正常使用和保养下,设备及工程发生故障,我公司得到贵方通知后,在1小时内做出响应,2-4小时内到达现场并在24小时内排除故障。修复、更换以后的元器件部分的保修期将按合同规定顺延。售后服务时间为每星期七天,每天24小时。

    在保修期内,对于非人为因素而发生故障的设备,予以免费更换,同时保证每年进行四次定期的巡检和数次不定期的巡检。我司有充足的、高素质的技术人员、雄厚的技术力量,足够的备品备件为贵方提供周到完善的售后技术支持,免除贵方的后顾之忧。

3)设备维护和巡检保障

    当空调设备在正常使用过程中,我们将按承诺每年进行四次定期巡检。在巡检过程中,每一次巡检我们将进行如下工作:

A、空调室内机外观清洁

B、空调内部清洁(包括过滤器、加湿罐等)

C、维护检查以下内容:

热力膨胀阀工作是否正常          □ □ □

压缩机声音是否正常            □ □ □

压缩机吸气压力是否正常          □ □ □

压缩机排气压力是否正常          □ □ □

室内风机声音是否正常               □ □ □

检查所有电器连接是否松动         □ □ □

检查控制器初始设置是否正常                □ □ □

检查温湿度探头是否偏差                    □ □ □

检查显示器工作是否正常                    □ □ □

检查加湿器进水电磁阀和排水电磁阀动作       □ □ □

检查加湿罐是否结垢                        □ □ □

检查加湿器的进水过滤器                    □ □ □

检查加湿器的排水盘                        □ □ □

检查加湿器排水是否泄露                    □ □ □

检查冷凝排水是否泄露                      □ □ □

检查空调送风和回风是否通畅         □ □ □

检查空气过滤器是否脏污             □ □ □

2、保修期后的售后服务内容:

保修期后,我司将以最优惠的价格为贵方提供充足、快捷的备品备件服务,并提供设备及工程终生有偿维护。

我公司可为贵方提供的维修服务有三种方式:

方式一:★★★★★无忧级(大包)

  1. 包括全部的维护与维修工作。
  2. 每年四次定期巡检与数次不定期巡检。
  3. 24小时电话响应,全天候随时电话解决问题,紧急情况当时作出应急处理办法方案,2-4小时到达现场。

4、设备在正常使用情况下发生故障,我司所做的维修及备件更换均为免费。

方式二:★★★ 自维护级 (小包)

  1. 每年定期巡检四次
  2. 电话及时响应,全天候随时电话解决问题,紧急情况当时作出应急处理办法方案,紧急故障2-4小时到达现场。

3、 设备在正常使用情况下发生故障免费维修,更换备件收取成本费。

方式三:★★  单次委托

     设备发生故障,贵方需支付基本维修费用,所更换备件费贵方另行支付。

3、库存及备件供应能力:

海洛斯空调在香港、北京和XX设立了3个大型的整机及备品备件仓库。其中,XX仓库负责整个华东地区HIROSS机房空调整机和备品备件供应。

XX仓库位于XX市松江开发区,占地7.3亩,毗邻沪杭高速公路和A30高速路,交通便利,仓库另备有专车负责运输工作。

4、培训服务:

1)现场培训(免费)

在设备调试完毕以后,厂方专业授权技术工程师将会在贵方机房现场进行完整的现场培训。我方将预先编制一套详尽的培训计划,并提供全套中文培训教材。

培训的主要内容为:

        ●  空调操作演示;

        ●  空调的日常操作维护与保养管理;

        ●  空调内部参数的设置和调整;

        ●  空调故障报警分析;

        ●  简单故障的应急处理;

        ●  技术答疑。

2)国内技术培训(费用根据实际情况另计)

我司将根据贵方需要在国内举行专业的技术培训。培训时我方将提供贵方所需的培训设施和课程,以确保贵方的工程人员能对所提供的系统在设计、工作原理、技术性能、安装调测、测试、操作日常维护、事故处理等方面有全面性的认识和掌握。

3)境外意大利原厂技术培训(费用根据实际情况另计)

  1. 新风系统

计算机房所需新风有三种计算方式:按照人员每小时需要新风立方数(40~65立方/小时);按照机房总体积每小时换两次最低要求;按照空调每小时送风总量的5%。

以上三种方式各自计算后取其最大值得出,这样精密空调区总新风需要数量为500立方米/H。

新风机组采用吊装方式装在精密空调机房吊顶上方,新风取自室外。

需要注意的是精密空调区所有的新风入口必须安装在精密空调正上方,这样可以防止冷凝水的泄漏(冷凝水通过精密空调主机进入精密空调排水系统),同时风口必须安装与消防联动的电子调节阀,当分区出现警情时可以关闭相应分区的新风口,以防止消防气体从新风管道溢出。新风管道需覆盖保温层以防止冷凝水对机房的破坏。

 

  1. 供配电及照明系统
    1. 机房UPS容量计算

AAA数据中心机房设备有:未来预计250台服务器,若干交换机等网络设备,实额定功率:服务器500瓦/台,外加网络交换机等。根据经验计算,运行功率约为额定功率的50%,机房UPS的用电量约为:60KW。

    1. UPS系统
    1. 鉴于贵司对电源的高质量要求,只能配置带有冗余性质的高可靠电源。用户重要负载由具有冗余和扩容功能的英飞系统供电,这样会大大增加整个系统的可靠性。
    2. 鉴于贵司的负载增加是分阶段、逐步增加的,我们没有必要一次配置很大的UPS,这样既要求UPS有一定的扩展能力,又要求UPS有冗余度。本套UPS最适合贵司现状的特点就是,它可以根据用户的实际负载量的增长, 边增长边扩容,可以按每16KV一个模块需求来配置,最大到160KVA,而且具有N+1冗余系统。目前可以根据实际需要的负载量配置就足够了,以后每次增加负载,再可以增加模块来扩容UPS的容量。
    3. 统计整个机房的负载量,机房现有负载60KVA,在未来几年内最多增加一倍,即配置新的UPS最大容量可选择到160KVA
    4. UPS解决方案:

鉴于上述用户需求,推荐使用APC PX160KVA/80KVA UPS(后期可扩展到总功率160KVA/160KW,电池配置后备时间2小时。

因此我们选用APC公司新型Symmetra PX 160KVA 系列电源,每个功率模块的功率为16KVA /16KW。根据要求,功率定为160KVA  N+1冗余输出。既安装10个功率模块,并联冗余输出,均分负载,形成9+1冗余。

由于用户的真实负载可能为60-80KW因此实际上5个功率模块64KW即可满足负载需求,也就是说实际上形成了N+1冗余,坏掉1个功率模块系统也能正常工作。

    1. 机房配电系统
      1. 设计分析

主路空气开关为250A/3P,物业提供一路250A容量的电源分两路输出,一路提供UPS设备电源供应,一路电源提供机房动力配电使用。

物业提供电源接至机房内相应主配电柜PDU-1,PDU-1提供给3台UPS供电及精密空调及照明等动力配电使用。两台40KVA UPS输出柜为PDU-2, PDU-2布线到机柜提供机房设备的供电,一台20KVA UPS输出柜为PDU-3,PDU-3输出到办公区使用UPS电源工位。

      1. 计算机系统供电流程
  1. PDU-1输出以三相五线制方式输出到2台40 KVA UPS及1台20KVA UPS机组;
  2. PDU-2为两台40KVA UPS输出柜,分别布线到设备机柜;
  3. PDU-3为一台20KVA UPS输出柜,布线到办公区相关工位;
  4. UPS系统提供机房应急照明灯。
  5. UPS系统提供门禁、监控等弱电系统供电。
      1. 动力及照明供电流程

PDU-1提供精密空调机组、机房照明、新风机及排烟机等动力及照明设备的供电。

    1. 配电设计
      1. 本工程电力负荷计算
  • 机房区IT弱电设备负荷:5个16KW/KVA功率模块APC UPS(64KW(N+1))。
  • 空调设备负荷容量见下表
  • 照明功率约为1.3KW
  • 新风机、排烟风机功率为8KW
  • 冷凝水排放5KW
  • 弱电系统5KW

序号

空调型号

功率(KW)

数量

合计(KW)

备注

1

Q14UW

19.88

2

19.88

全冗余

2

P08UW

15.58

1

15.58

 

合计

 

 

 

35.46

 

总计容量(理论最大容量)为120KVA,电流约200A。

照明为分组组合供电方式水平照度按400LX设计,采用机房专用无眩光灯具。

IT机柜采用终端盒接入电源或采用电源插件接入电源。

      1. 供配电系统容量冗余考虑

本工程安装的配电柜的开关容量、数量和电源线、缆,其输送电流能力等均预留了一倍以上的发展余量;

      1. 对线缆及其绝缘层及布放的技术要求
  • 主要线缆采用阻燃线缆,最小截面不小于1.5mm2;
  • 除照明线路之外,一律在金属桥架、钢管内布放;
  • UPS输出线缆不与其他动力线缆同放在同一桥架、钢管内;
  • 电力管线与弱电系统的电源线、信息线路不可长距离平行布放。
  • 监控系统信号电缆单独敷设管道。
    1. 机房防雷接地系统

 

数据中心机房建设方案

      1. 防雷原理

雷击是年复一年的严重自然灾害之一。随着我国现代化建设的不断提高,通信设备越来越多,规模越来越大。一方面大型电子计算机网络,程控交换机组等系统设备耐过电流,耐雷电压的水平越来越低,另一方面由于信号来源路径增多,系统较以前更容易遭受雷电波的侵入,致使雷电灾害频频发生。据统计,雷电对电子设备的损坏占设备损坏因素的比例高达26%,防雷过电压已成为具有时代特点的一项迫切要求。

一、雷击的分类

雷击一般分为直击雷击和感应雷击。

       直击雷击——指雷电直接击在建筑物、构架、树木、动植物上,由于电效应、热效应和机械效应等混合力作用,直接摧毁建筑物,构筑物以及引起人员伤亡等。由于直击雷的电效应,有可能使机房微电子设备遭受浪涌过电压的危害。

       感应雷击(又称二次雷击)——指雷云之间或雷云对地之间的放电而在附近的架空线路、埋地线路、金属管线或类似的传导上产生感应电压,该电压通过传导体传送至设备,间接摧毁微电子设备。感应雷击对微电子设备,特别是通讯设备和电子计算机网络系统的危害最大,据资料显示,微电子设备遭雷击损坏,80%以上是由感应雷引起的。

       另外还有操作过电压,即是指当电流在导体上流动时,会产生磁场储存能量,当负载(特别是电感性大的负载)电器设备开关时,会产生瞬时过电压,操作过电压同感应雷击一样,可以间接损坏微电子设备。

二、雷电防护区的划分

按照IEC1312-1及GB50057-94要求,应将要保护的空间划分为不同的防雷区,以规定各部分空间不同的雷击电磁脉冲的严重程度和指明各区交界处的等电位连接点的位置。各区以在其交界处的电磁环境有明显改变作为划分不同防雷区的特征。防雷区宜按以下分区:

1、LPZ OA:直击雷非防护区,本区内的各物体都可能遭到直接雷击和导走全部雷电流;本区内的电磁场没有衰减。

2、LPZ OB区:直击雷防护区,本区内的各物体不可能遭到直接雷击,但本区内的电磁场没有衰减。

3、LPZ 1区:屏蔽防护区,本区内的各物体不可能遭到直接雷击,流经各导体的电流比LPZ OB更小;本区内的电磁场可能衰减,这取决于屏蔽措施。

4、LPZ 2区等:后续防雷区,当需要进一步减小导入的电流和电磁场时,应引入后续雷区,并按照需要保护的系统所要求的环境选择后续防雷区的要求条件。通常,防雷区的数越高电磁环境的参数越低。

在两个防雷区的界面上应将所有通过界面的金属物做等电位连接,并宜采用屏蔽措施。

 

      1. 设计依据

依据国际电工委员会IEC标准、法国NFC标准、德国VDE标准和中国GB标准与部委颁发的设计规范的要求,大楼和大楼内之计算机房、程控机机房等设备都必须有完整完善之防浪涌保护措施,保证该系统能正常运作。这包括电源供电系统、不间断供电系统,电脑网络、卫星通信设备等装置,均应有SPD防护装置保护。设计依据包括有:

《建筑物防雷设计规范》            GB50057-94

《电子计算机房设计规范》            GB50174-93

《防雷器材指标要求》              GB11032-89

《雷电电磁脉冲的防护》            IEC1312-3

《电器装置安装工作盒接地装置施工及验收规范》GB50169-92

《计算机信息系统防雷保安器》      GA473-1998

《通讯系统过电压过电流防护技术要求》YD/T695-93                      GB9361-88

《计算机信息系统防雷保安器》行业标准 GA173-1998

《通讯局(站)雷电过电压保护工程设计规范》行业标准YD/T5098-2001

《民用建筑电气设计规范》行业标准 JGJ/T16-92

《等电位连接安装》图集02D501-2

《利用建筑物金属体做防雷与接地装置安装》图集03D501-3

《建筑物防雷设施安装》图集03D501-3

贵校防雷需求及现场勘探情况

      1. 总体设计方案

一、方案设计原则

严格按照国标、部颁标准以及相关的国际标准实施防雷工程。

根据电子及电气设备的不同功能及保护程度确定防护要点,作分类保护。

在做好系统防雷的基础上,达到最大节约资金的目的。

二、常见雷击原因分析

一般情况下,某种设备与外界的联系可分为三种(如下图),电源线、信号线及设备地线,因而,无论浪涌过电压产生的形式如何,其最终会通过这三个途径中一种或几种对设备放电,造成设备损坏。因此对于任何一个需要保护的空间内的设备,只要截断该需要保护的空间与外界浪涌过电压的途径,即可达到防护的要求。

数据中心机房建设方案转存失败重新上传取消

因此,设备因雷击损坏,其损坏的原因可归纳为两点:线路传导过电压及地电位反击。

三、沿线路传导的过电压的防护

A、线路传导过电压的形成

线路传导过电压的形成可分为二种:

雷电磁场感应

电感、电容性负载的起动

近点雷电磁场感应是近年通信系统设备损坏的主要途径。当建筑物遭受雷击或在建筑物近旁发生雷击时,强大的脉冲电流会在周围空间产生交变磁场(以雷电中心1.5km-2km的范围内都可产生危险的过电压),处于磁场中的导体因此而感应出高电压,沿线路产生的过电压窜入设备,造成设备损坏。其形成过程如下。

 

电感或电容性负载起动,即通常所说的开关操作过电压。电压在极短的时间内发生瞬变,电压时间特性曲线的陡度(du/dt)较高,形成幅值较高的脉冲电压加载在供电线路上,沿线路窜入设备,造成设备损坏。其形成原理如下图。

 

数据中心机房建设方案

当U0取值为24V时,适当的L与CS,加载在设备上端的脉冲电压幅值即可达4000V,这远远超过了脆弱电子设备的耐受能力。

B、线路传导过电压的防护

根据传导过电压形成的三种方式及其传播途径,对于通信设备其防雷保护可从两个方面进行考虑:

电源线路过电压防护。

根据IEC防雷分区原理及机房的特殊性,其供电线路过电压的防护可采用三级防雷保护来实现。第一级电源防雷器一般采用通过Ⅰ级分类测试实验的SPD,第二级可采用限压型SPD,限压型防雷器其核心原器件为压敏电阻,压敏电阻具有通流量较大(国内外压敏电阻一般情况下其最大通流量为40KA),低残压的特点。通信线路过电压防护为达到对设备的有效保护,依据IEC防雷分区原理信号部分也可采用多级保护方式将雷电流幅值降到设备耐受能力范围内。在LPZ0与LPZ1的交界处进行粗级防雷保护;在LPZ1与LPZ2的交界处,采用精细保护防雷器。

四、地电位反击

根据GB50057-94(2000版)第6.3.4条“……全部的雷电流的50%流入建筑物防雷装置的接地装置,其另50%分配于引入建筑物的各种外来导电物、电力线、通信线等设备”。电流分配图如下:

数据中心机房建设方案

 

从图中可以看出当建筑物遭受雷击时,约有50%的雷电流通过建筑物的地网泄入大地,另外约有50%的雷电流通过与等电位连接带相连的接地导线进入设备,因此当雷击发生时,地网电位被抬升,与汇流排相连的设备外壳的地电位也随之升高,进入设备通信线的低电位与机架或地线之间的高电位存在高电位差而发生反击放电,从而使电子设备损坏(地电位反击过程见下图)。

 

数据中心机房建设方案

五、现场勘探情况及分析

据气象资料表明XX地区年平均雷暴日为82天,已被划为多雷区(小于15为少雷区,15-40为中雷区,40-90为多雷区,90以上为强雷区)。

六、具体方案

  1. 在电源室主配电柜配电主控开下口处安装OBOV25B+C/3+NEP电源第一,二级合一避雷器一套。

技术参数如下:

数据中心机房建设方案

 

特性一览表 V 25-B+C

使用优点

带标志端子,安装简便

可以应付频繁的电涌电流的冲击

B+C联合保护器,应用于建筑物整体空间较小的场合

只在总配电柜内安装一套保护器

可插拔式部件

保护器模块损坏后可以带电插拔更换

内部连接的保护器底座,1到4片的底座及模块数

容易安装

热感断路器和视窗指示装置

对保护器的工作状态一目了然

带NPE火花间隙模块的保护器

使用范围广(适用于TN、TT和IT电网),
结构更安全

V 25-B+C/NPE 具有反向插入保护

保证保护器模块简单、专业的安装

 

功能和应用领域

雷电浪涌保护器V 25-B+C依据VDE 0185,Part 1和Part 100的要求,而设计的一种雷电保护等电位连接器。该装置是符合DIN VDE 0675,Part 6(Draft 11.89)A1,A2等级为B+C级保护器的要求。在建筑物雷电保护安装工程中,它保证了电源线上的等电位连接。当电源线架空引入建筑物时,架空线可能会引入部分直接雷击雷电流,在此种建筑物电源架空引入的线路上,该保护器也可应用。

V 25-B+C/3+NPE(B+C等级)可用于TN-C-S,TN-S,TT和IT系统中特别的浪涌保护器。该保护器是根据DIN VDE 0100,Part 534/A1的最新需求设计而来的,允许成对保护器简单、安全的安装。

高性能浪涌保护器OBO V 25-B+C有一个特别的压敏电阻电路,装置内含良好非线性特性(а>30)的氧化锌压敏。即使电路出现高能电涌,设备也能得到最大程度的保护。甚至当电涌电流达到60 kA时,保护器的电压仍低于1.5 kV。因此,该保护器能够承受直击雷的部分雷电流。在过载情况下,保护器内置的热感断路器可以将保护器模块从主电路中脱离出来,保证供电系统正常工作,与此同时状态显示视窗由绿色变为红色。

OBO电涌保护器V 25-B+C不仅能承受高通流容量的雷电流,同时具有低的保护电压的特性,能够作为一个B+C联合保护器使用。

安装

OBO V 25-B+C能够容易地安装于任何配电箱或者开关箱内的35 mm导轨上。NPE保护模块C 25-B+C/NPE和底座之间的巧妙设计,使模块不能被反向插入。这保证了保护器模块的正确安装。

技术参数

B+C登记电涌保护器
型号

V 25-B+C

150

320

385

最大持续操作电压 UC AC
(最大允许操作电压) UC DC

150 V~
200 V~

330 V~
410 V~

385 V~
505 V~

雷电保护区

0→2

等级-按照DIN VDE 0675 Part 6(Draft 11.89)A1,A2
-按照IEC 61643-1


B+C
级→Ⅱ级

测试标准

IEC 61643-1,prEN 61643-1,
E DIN VDE 0675-6:1989-11 and Part 6/A1

按照DIN VDE 0675 Part 6 A1+A2的测试电流
标称放电电流 In(8/20)


30 kA

整体最大放电电流 Imax(8/20)
V 25-B+C/1
V 25-B+C/2
V 25-B+C/3
V 25-B+C/4


50 kA
100 kA
150 kA
200 kA

最大放电浪涌电流(8/80)根据Vds 2031
V 25-B+C/4 Imax


100 kA

电涌电压测试(10/350)(按照IEC 61312-1(02.95)设定的雷电流参数)
脉冲电流 Iimp
电量 Q
单位能量 W/R



8 kA
4 As
16 kJ/Ω



7 kA
3.5 As
12 kJ/Ω



7 kA
3.5 As
12 kJ/Ω

1 kA(8/20)时的电压保护水平 Up
5 kA(8/20)时 Up
In时 Up

≤450 V
≤500 V
≤600 V

≤750 V
≤850 V
≤1150 V

≤1.0 kV
≤1.2 kV
≤1.5 kV

响应时间 TA

<25 ns

短路耐受能力25 kA时的最大后备保险丝

60 A gl/gG

连接线橫截面积

2.5-25 mm2(多股软线,连接端加护套)
2.5-35 mm2(单股、多股线)

安装位置

35 mm导轨(符合EN 50022)

Ip等级

IP 20

温度范围 υ

-40℃到+85℃

 

 

模块NPE
标称电压 UN

C 25-B+C/NPE
230 V/50-60 HZ

100 V下的绝缘电阻 Rins
浪涌电压测试(10/350)-根据IEC 61312-1(02.95)规定的雷电参数
峰值电流 Iimp
电量 Q
单位能量 W/R
标称放电电流 In(8/20)
电压保护水平 Up
响应时间 tA
UC下的后续电流 IF
温度范围 υ

>10 GΩ


25 kA
12.5 As
160 kJ/Ω
50 kA
<1.2 kV
<100 ns
100 Arms
-40℃
到+85℃

保留技术更改权

 

  1. 在重要网络设备的进线出安装网络信号防雷器RJ45S-E100/4-F

技术参数如下:

以太网信号线浪涌保护器

技术参数

型号

RJ45S-E100/
4-B

RJ45S-E100/
4-C

RJ45S-E100/
4-F

RJ45S-ATM/
8-F

测试范围

0 → 2

0 → 3

1 → 3

1 → 3

接口/保护脚

RJ45/
STP 4
线

RJ45/
STP 4
线

RJ45/
STP 4
线

RJ45/
STP 4
线

最大放电电流/每线
线-地
线-线

1.5KA/
2.5KA

1.5KA/
2.5KA

-/-

-/-

综合保护线-地
线-线

7.5KA/
7.5KA

7.5KA/
7.5KA

7.5KA/
0.5KA

5KA/
0.25KA

精细保护线-地
线-线

7.5KA/
7.5KA

7.5KA/
7.5KA

7.5KA/
0.5KA

5KA/
0.25KA

额定工作电压 VN

110V

5V

5V

5V

动作电压 VP

180V

6.5V

6.5V

6.5V

在IN下的保护水平电压
线-地/ 线-线 VP

<800/
<500

<800/
<50

<800/
<50

<800/
<50

插入损耗(36KHEF) DB

0.3

5

3

2.5

最大传输率 HE

>155M

70M

100M

155M

串接电阻

-/-

4.7

-/-

-/-

中等+精细保护级,安装于数据线在LPZ 2-3区间内

特征:
RJ45接口类型 容易安装
可选DLS-BS组件安装于35mm导轨上

  1. 等电位处理

在主机房,监控机房制作一均压环,供设备、金属管道、金属接线盒等接地用。均压环采用30mm×3㎜紫铜带安装在静电地板下排成环形格,通过绝缘端子与地面相连,铜带的交叉点处用锡焊焊牢,铜带网接至机房接地上。其上加工出间距3-5㎝的螺孔,便于设备接地。机房所有金属导体外壳均应用6mm2接地线以最短的距离和均压环相连。使机房内所有设备处于等电位状态,均压环两侧与建筑物主钢筋相连,并与机房专用地线相连,形成联合接地。接地阻值小于1欧姆。

   建筑物本身以及直接进入建筑物的管线的等电位连接不在本项目范围内。

数据中心机房建设方案

 

  1. 环境监控系统
    1. 设计概述
      1. 前言

随着用户管理能力的不断提高,过去单一的机房动力环境监测系统或机房安全防范监控系统已经不能满足用户不断扩大的应用需求,系统的纷繁使用户在管理的过程中耗费大量时间精力。

“KingWeb机房监控系统”工程是随信息化建设应运而生的,它是机房动力环境建设与安全防范技术结合的完美体现。“KingWeb机房监控系统”利用综合布线技术、通信技术、网络互联技术、多媒体应用技术、安全防范技术、网络安全技术等将所有子系统整合在一个统一的管理平台,通过一套管理平台软件进行管理,做到数据共享。采用纯B/S结构系统使用户管理更加方便。

“KingWeb机房监控系统”是第三代纯B/S结构监控平台,能够通过WEB浏览器,使获得授权的相关管理人员通过网络对机房内的整体运行状况进行管理。应用本系统,在本工程中要实现对于机房UPS系统、精密空调系统、供配电系统、漏水系统、温湿度系统、图像监控系统、门禁系统、新风控制系统、消防系统、红外防盗系统等子系统的集中管理,以上所有子系统通过统一的软件平台进行管理。

      1. 设计依据

    《计算机站场地技术条件(GB 2887-89)》

    《计算机站场地安全要求(GB 9361)》

    《电子计算机机房设计规范(GB 50174-93)》

    《电总通信机房动力及环境监控规范书》

    《低压配电设计规范》(GB 50054-95)

    《保安电视监控工程技术规范》GA/T76--96

    《安全防范系统验收规则》(GA 308-2001)

    《安全防范工程程序与要求》(GA/T75-94)

    《建筑安装工程质量检验评定标准(GBJ 300-88)》

    《建筑与建筑群综合布线系统工程设计规范(CECS89:97)》

    《建筑与建筑群综合布线系统工程施工及验收规范》

      1. 项目需求

本次机房监控系统的设计及建设是结合机房结构、设备内容、使用功能、操作对象和管理要求等综合因素进行考虑的,并做出合理的、适应特定工程使用和管理需要的设计。

机房监控的点表如下:

机房名称

UPS

空调

配电开关

配电质量

漏水

温湿度

视频

门禁

消防

防盗

新风

单位

主机房

 

2

24

 

15

5

4

2

1

2

1

动力机房

1

1

8

3

15

2

1

1

1

1

 

操作机房

 

 

 

 

 

 

 

1

1

 

 

钢瓶间

 

 

 

 

 

 

 

1

 

1

 

合计

1

3

32

3

30

7

5

5

3

4

1

 

表1:KingWeb机房监控系统点表

以上所有系统的信息将集成到统一的监控平台软件进行后期处理,整个系统只需提供一套软件即可。系统一旦监测到有报警或参数越限,将自动切换到相关的运行画面,越限参数将变色。重要的参数,可作曲线记录,查询至少一年内的曲线,并可显示选定某天的最大值,最小值,使管理人员对设备状况有全面的了解。系统异常时可提供电话、短信、声光、Email等方式报警,并提供报警事件查询、下载和打印。

    1. 机房监控的内容
  • UPS监测系统

数据中心机房建设方案

 

通过UPS智能接口采集输入/出/旁路电压、电流、频率,输出功率(有功、无功、视在),最大负载,谐波率极其超限报警信息等。

负载不平衡,输入中断,整流器、逆变器、电池放电,交流电源失效等告警信息等。监测1台UPS的运行状况,只监不控。

  • 低压配电监测系统
  • 数据中心机房建设方案

 

在机房配电柜总线、空调输入线路及UPS输入端分别加装1台智能电量检测仪,共3台。通过电量仪的智能接口,系统可全面检测市电进线配电柜的电源参数,例如三相电压、电流、频率、功率因数、有功功率、无功功率。管理人员通过系统远程查看各项参数,达到无人职守。

对于机房的重要配电开关,监视开关是否跳闸或断电等状态非常必要,一旦开关跳闸断电,计算机系统立即停止工作,将造成整个系统崩溃,如不尽快处理造成的损失将无法估计。本次监测配电柜输出端及重要机柜的共32路空气开关的闭合状态,有跳变则报警。

 

  • 精密空调监控系统

精密空调为机房创造符合要求的温湿度环境。通过空调通讯接口采集回/送风温度、回/送风湿度等模拟参数;包括回风温湿度上下限,压缩机、风机、加热器、加湿器、去湿器、滤网等报警信息;空调开/关机。

共监测2台精密空调。可通过监控系统对空调进行统一控制和管理

数据中心机房建设方案

 

  • 漏水监测系统

 

数据中心机房建设方案

机房内有可能会产生漏水处(包括:空调下、给排水管及窗户附近等处),均采用漏水检测系统可将渗漏情况感应出来,将信号通过机房环境监控系统通知工作人员立即采取措施。

本次设计中将围绕3台空调安装一套定位式的漏水系统,敷设30米漏水感应绳,一旦有水泄漏碰到漏水绳,漏水绳上的监测点通过控制器将信号输到监控主机,系统在第一时间报警,监控界面自动切换到漏水监测画面上,漏水点精确到1米,相应的漏水点变红色闪烁并发出语音报警,可大大减少寻找水源的时间。

 

 

  • 温湿度监测系统

在机房加装7套温湿度传感器,具体点位见点位表,监测机房内7个区域的平均温度,湿度。通过系统实现温湿度上下限报警及故障报警。可通过曲线报表反映机房在特定条件下实际温湿度状况以调整空调送风温度或调整发热设备的摆放位置。

 

数据中心机房建设方案

  • 图像监控系统

 

数据中心机房建设方案

由于机房内系统繁多,人员出入控制的要求也较高,因此图像监控系统对整个机房突发事件及事后取证将提供不可估量的作用。采用数字监控系统对整个视频进行管理、图像侦测、识别、控制、存储以及检索。

主要针对机房所有出入口,共安装5台彩色半球摄像机,其中4台布置在主机房进门,动力机房1台,观察人员进入状况,并可以和其它系统设置联动。

1、图像监控系统功能

  • KingWeb平台作为一个成熟的监控系统,已经无缝集成了硬盘录像系统的所有功能,具有定时录像和触发录像功能,具备强大的联动性。视频信号采用了MPEG-4(H.264)的压缩方式,所有录像的视频文件直接分布存储于本地监控主机,磁盘满后将自动刷新,使管理人员可轻松方便地实现各种资料的管理工作。视频信息采用先进的流媒体格式,使监控、录像、回放、网络传输同步进行,监控画连续、流畅、无雪花和抖动现象。并且根据用户不同的网络状况,系统可采用TCP/IP点对点、UDP单播、组播等不同的传输方式,以便最大限度地减轻用户的网络压力,保证视频信息的有效传输,使得各本地监控站、中心管理站或WEB端都可方便地查看到优质的视频监控画面。
  • 同时,本视频监控系统具有智能搜索功能,可精确定位到任意一天的任意一分钟,具有很好的回放效果。并且在进行历史视频回放时,各视频记录文件之间实现了无缝连接,无间隙感。在同一显示器中可实时显示多路画面,双击鼠标就可实现单路画面与多路画面间的切换,因此,监控人员可做到实时监控机房内的任意一个场所,以便对各种突发事件作出快速、及时的反应。
  • 本系统还具有自动侦测图像移动并报警的功能。同时,移动报警的灵敏度以及报警的恢复灵敏度可由用户根据实际需要自由调整,以满足不同的移动报警要求。当画面移动达到报警精度时,监控画面将变色闪烁,提醒管理人员注意,以便进行及时处理。
  • 快速查阅和检索录像查阅和检索界面操作简单实用,完全不同于其他硬盘录像系统,可直接精确定位到每一天的每一分钟。可以同步回放各个监控画面,便于比较各个监控画面的变化。
  • 监控、记录、回放、网络传输同步进行可在一个显示器上同时实时监控和记录最多24路视频信号。在记录和监控的同时,还可以回放任一时刻的录像。能满屏显示某个画面,或者同时显示多达24路的监控画面,双击鼠标,就可实现切换两种模式的切换。在监控、录像、回放的同时,可同时进行网络视频传输,实现网络监控。
  • 用户可以预置报警预存时间,一旦报警事件发生,系统将按预存时间提前记录事件过程,可以科学地记录事件的全过程。
  • 报警联动功能:系统接到报警后,可输出控制信号联动相关设备,如控制门锁、照明开关等等设备。

2、系统的联动

通过机房监控系统主平台“KingWeb平台”的内部信息共享,视频将与门禁、防盗报警或消防等系统集成后进行联动,系统能自动识别并响应其它设备的报警信号,协调运行。如门禁系统遭非法操作或消防报警,图像监控系统能自动命令就近的摄像机监视该部位的情况,同时发出报警信号并录像。

  • 门禁管理系统

 

数据中心机房建设方案

本次机房监控系统通过集成门禁管理主机达到对门禁系统的无缝集成。用户通过操作“KingWeb平台”达成对门禁系统管理的所有功能,很好地实现了资源共享的目的,也大大提高了管理效率。

在机房各道出入口各安装1台读卡器,其中主机房2道门,操作间、钢瓶间、动力机房各1道门,通过授权管理,只有持有效卡的的合法用户才能进出门禁控制区域,出入记录全部存贮在电脑中,出入口控制完全采用电子控制,保安人员只需在控制室中,就可对所有门禁区域进行监测和控制。

1、门禁管理系统功能

  • 授权管理:通过管理主机预先编程设置,系统能对持卡人的通行卡信息进行有效性授权(进/出等级设置),设置卡的有效使用时间和范围(允许进入的区域)。
  • 报表功能:系统可对所有的出入、报警、故障事件做记录,并根据需要分类查询,为其它管理工作提供数据依据。
  • 监控功能:管理主机可遥控所有门禁点电锁的开/关,以多级电子地图或表格方式实时显示所有门禁点的开关状态,详细记录每次开门的时间、日期、进出人员的卡号、姓名等资料。
  • 查询功能:当读卡器上有人刷卡时,控制中心的PC机上显示出持卡人的信息,以供保卫人员核对是否本人持卡。

2、系统的联动

门禁控制主机通过与机房监控系统主平台“KingWeb平台”的接口通讯,与视频系统、消防报警等系统集成后,能自动识别并响应其它系统的报警信号,协调运行。如消防报警,门禁系统将自动打开所有门,视频监控系统能自动命令就近的摄像机监视该部位的情况,同时发出报警信号并录像。

  • 新风控制系统

根据要求,系统需要对新风机的运行状态进行实时监测。由新风机厂家提供新风机运行状态的干接点信号,通过采集该接点信号,对新风机的开关状态及报警状态进行监控,同时通过改造新风供电系统实现控制新风机的开启和关闭。

 

数据中心机房建设方案

  • 消防报警系统

通过采集机房消防系统烟感探测器的报警信号实时监测机房区域的火灾情况。消防系统利用机房监控系统的多样稳定地报警方式,及时通知相关管理人员迅速采取行动,以尽可能减少损失。可联动门禁系统打开所有的门锁,并联动图像系统进行录像。

  • 防盗报警系统

通过布置4个防盗报警探测信息点,采集红外探测器的报警信号实时监测机房的防盗情况,以达到探测非法侵入,掌握非法人员侵入情况及其动向,当检测到报警时则通过电话、短信通及时通知相关管理人员迅速采取行动,且可联动视频系统进行录像取证。

本工程所有的子系统在设计上不是仅仅将其作为一个独立的子系统,而是将其有机的融入机房环境集中管理系统之中,这样单系统的作用就不仅仅是实现各自监控功能,而是为整个数据中心在提高管理效率或提升功能方面需要的应用。

    1. 系统设计方案
  • 系统软件选型

针对项目的实际需求,所有动力环境及安全防范设备将通过统一的监控系统平台软件进行集成管理,因此,该平台软件就成了本项目的核心。平台软件我们将选用专业机房监控平台《KingWeb信息集成平台软件》。它与后台服务器、前端采集设备、中间通讯设备一起组成了完整的“KingWeb机房监控系统”。

《KingWeb信息集成平台软件》为目前国内最先进的第三代监控组态平台,网络功能更为强大,远程与本地实现完全同步;它运用了最新的计算机技术,采用了实时多任务操作系统,多线程的编程技术,中间件技术、多媒体技术、基于目前国际流行的通用TCP/IP协议进行组网实现网络监控。能够将所有设备环境监控信息,包括视频、设备运行参数、报警信号等集成在同一的平台上,极其方便机房管理人员的操作管理维护,而且用户可以在任意网络上实现对机房的全面监控,真正使“无人值守”机房成为现实。

  • 系统结构选择

根据本项目的具体情况,我们将监控主机设置在机房的机柜内,用户在总控中心或办公室操作,全部通过WEB方式来完成。

整个监控系统分为三层:现场采集中心、集中监控中心和远程管理中心。

数据中心机房建设方案

 

 

  • 集中监控中心

集中监控中心是是由监控主机、报警模块、监控软件KingWeb平台等一起构成的,负责对现场采集的所有设备进行集中监控管理,接收前端采集器传来的各种实时数据(设备信息和报警信息等),显示监控画面内容,实现对监控数据的实时处理分析、存储、显示和输出等功能,处理所有的报警信息,记录报警事件,通过电话语音、手机短信等输出报警内容,发送管理人员的控制命令给现场设备。

  • 现场采集中心

现场采集中心主要由现场智能设备(如UPS、精密空调等)、各种采集探测器(温湿度探测器、漏水控制器、电量仪等)、智能模块(协议转换模块、信号处理模块)等组成。

智能模块用于采集及输出模拟量、开关量等信号,将信号通过协议转换传输给监控中心,并接受现监控中心的控制信号输出给相应的设备进行控制功能。

  • 远程管理中心

远程管理端的主要功能是进行远程的IE浏览功能。为便于管理人员随时随地了解机房的实际工作状况,实现管控一体化,通过用户的内部局域网,在远程的管理人员可以通过浏览器,直接观看各个设备的监控画面,通过该界面远程监控设备的运行状况。

 KingWeb平台的WEB技术是采用“零”安装技术,在用户网络内授权的用户,通过软件平台的权限认证后即可直接通过IE进行远程的浏览。远程的IE浏览也可同时支持多媒体语音报警及实时显示系统的报警信息,同时可以远程查看历史曲线、实时曲线、历史事件、系统日志、查看或打印输出报表、进行用户管理、报警参数设置。如用户的网络具备远程接入功能的话还可通Internet网实现远程的浏览,极大地方便了用户外出时或离开机房时了解机房实际的运行情况。

    1. KingWeb机房监控系统优势特点

 

  • 前台页面完全基于ASP和html网页,页面组态简单易学。页面的组态与开发网页类似,但又比普通网页开发更方便。同时,由于采用的是标准的网页格式,因此用户能很快地的学会页面的设计,方便用户自定义特定的扩展功能。

 

  • 所有操作和修改都无需停止系统的运行。可以做到长期的连续运行。
  • 可通过WEB方式对各分站点的用户进行添加、删除、分组、权限级别管理及浏览范围设置,真正做到了集成管理。
  • 可通过WEB方式对各分站点的报警方式、报警对象、报警级别进行快速设置。

 

  • 可通过WEB方式对各参数的历史曲线进行查看。

 

  • 可通过WEB方式对各参数的实时曲线进行查看。
  • 历史曲线查询界面用统一的页面,省去了工程实施过程中的页面组态的时间。能有效地提高工作效率。

 

 

  • 可通过WEB方式对各参数的历史事件及操作记录进行查看,并可生成EXCLE表格进行保存。

 

  • WEB方式对各参数的报表记录进行查看,并可生成EXCLE表格进行保存。

 

  • 可通过WEB方式远程在线控制和修改设备的参数,包括报警上下限、报警级别、参数描述等。

 

  • 可通过WEB方式对各门的进出记录进行查看,并可生成EXCLE表格进行保存。可设置联动动作。
  • 可通过WEB方式查看实时图像或历史记录,并设置与其它系统间的联动。
  • 可通过对话框方式在线设置和修改用户与监控系统短信交互的内容,包括定位查询、定时查询、交互查询等。
  • 可通过对话框方式在线设置和修改系统间联动的内容,包括定时控制、报警触发等,可以进行完整的时段控制。
    1. 系统功能描述
  • 报警功能

(1)报警方式:系统内嵌强大的多媒体报警技术,所有终端用户只需配置喇叭即随时得到语音报警信息。可手机短消息报警系统和电话语音报警系统可以对各种设备的报警提供专家处理提示。电话语音报警系统可设六组电话号码,处于无人值守时,一旦有严重事件发生,系统会自动拨打所设置的号码(手机、电话),采用语音通知有关人员。系统能将报警信息在第一时间内通过短信发送至指定人员(每一个监控点的报警信息都可以单独设置一组手机号码用于接收短信)。

可通过监控终端、短信等方式对报警信息进行确认,在未收到确认前监控终端一直进行报警且间隔一定时间后再次发送报警短信。

(2)报警级别:系统具有强大的报警处理功能。可区分10级报警级别,报警事件发生时,系统按事件级别排队报警,显示处理,并将系统界面自动切换到相应的报警画面。系统管理员拥有更改任何报警级别的权利。

(3)报警参数设置:只有拥有系统管理员账号和密码,才可以对所有的报警参数、报警级别、报警界限进行修改。

(4)报警分析:系统管理员可以对所有报警事件的报警级别进行修改,如果不需要报警的事件可以屏蔽。

(5)系统默认保存一年的历史报警记录,所有人员都无法修改或者删除。

(6)系统自检报警:监控系统具有专家诊断功能,对通信中断、软件故障能够诊出故障并及时告警。监视各智能设备各部件的运行状态和工作参数。当监控系统非法退出时,监控系统可以自动重启。

  • 安全管理功能

(1)系统自诊断:当被控设备与监控主机发生通讯中断,系统将自动通过声光报警方式通知在场的值班人员,并且可以通过电话通知或者手机短消息通知系统管理员。具有场地专家管理功能。对任意一个报警事件都会针对机房的具体情况以文字或语言形式给最终处理提示,指导值班人员及时准确地解决问题。

(2)设备操作历史记录:系统将自动记录所有操作记录,包括操作人、操作对象、操作内容、登录及退出时间等。

(3)容错能力:所有的工程,当验收后,本公司会向客户提供一套系统安装光盘。方便用户因为一些误操作导致的系统错误。

  • 配置管理功能

系统用户可以在线进行监控对象的增加、修改和删除等管理功能,所有更改马上就能生效,无需重新启动监控系统。

  • 数据管理功能

(1)报表处理:系统对采集的数据进行处理,可生成报警统计报表、操作统计报表、历史统计报表等多种报表并打印出来;用户可以查看一年内所有报警的事件和操作记录,并且可以通过报表形式打印出来。

(2)系统根据采集的数据生成实时动态曲线图、历史数据曲线图等直观的曲线图标;系统可以对所有遥测数据都可以生成实时动态曲线图和历史曲线图。

  • 远程通信功能

(1)通过远程监控程序,可实现系统的远程监控;系统提供B/S(远程管理站/本地服务器)监控模式。

(2)系统可自动侦测通信故障,发生故障时提示;系统会自动侦测远程监控主机与监控中心管理主机之间的通讯,当通讯发生故障时,系统将以最高级别方式报警,并通知系统管理员。

(3)可扩展性:系统应留有与以后其它应用系统互联的接口;本系统的可扩展性非常高,所有功能都是通过模块化结构实现,对于日后系统的扩展与升级来说,十分方便。

(4)系统可通过手机短信接收订制的信息,并可向系统发送控制命令,控制设备启停或设置报警级别、报警上下限等任意属性。

 

  1. KVM系统
    1. 机房集中控管系统需求分析
      1. 机房现状简介

根据数据中心机房的具体情况,机房分布在不同楼层,分别属于不同部门,包括服务器(IBM、HP、Compaq、DELL、SUN等)。在主机房ECC监控中心或管理员工位,通过相应授权和认证,提供多个并发操作用户全域控制机房内的所有设备,同时方案需要考虑到将来对所有设备的资产和性能管理及各个分支城域网网络设备(Console口)系统纳入集中控制管理平台进行集中管理的问题。方案要求每个操作用户都通过开放式的Web浏览器只需鼠标点击即可访问到机房相应的设备,不同部门的操作用户根据各自权限的不同还可以访问各自不同部门的设备,每个操作用户不但可以在自己的屏幕上打开操作一台服务器画面,还可以打开多个服务器的界面轮流进行操作或监视不同设备的运行状态,彻底摆脱了原始的一套键盘、鼠标、显示器对应操作一台设备的模式,大大节省了操作时间,提高了工作效率。同时考虑对整个机房内所有服务器管理的集中性,用户管理的安全,寻求一种能够满足这种需求的解决方案,以便使有关操作人员不必去到机房内也能操控所有的机房服务器和网络设备,且当系统规模扩张时仍能保持整个系统的完整性而达到管理上的简单有效。如何为这些IT设备提供一个统一、有效的带外管理平台是该项目的核心。本文档旨在给出对中行所有IT设备的集中带外管理提出一个完整的解决方案。

      1. IT基础设施集中控制管理需求

根据通盘考虑,所有数据中心机房的众多设备需在一个整合了多种机房系统资源的集成大平台上得到统一管理,以解决因大量设备分散分布所带来的管理上的不便性,免除了众多不必要的外围设备而节省大量空间,使得各管理员可在监控室内从键盘、鼠标、显示器组成的控制台便可登陆所有的设备,方便快捷地排除机器故障,从而更有效地保障整体机房的正常运营。具体需求如下:

  1. 设备管理属于不同部门,要求能够对所有服务器做到统一监管;
  2. 需有灵活便捷的管理方式,能对服务器的各种属性组别进行添加(机柜号、机柜位置、应用、OS、服务器型号、IP地址、部门、维护人员及联系方式等等),方便搜索指定服务器,完全实现逻辑划分功能,同时可以实现对各服务器信息的导出功能;
  3. 需考虑使用安全可靠系统架构及有效的用户权限保障系统,保障数据中心的安全性;
  4. 良好的系统再扩容能力;
  5. 便捷的故障处理能力,通过本项目的建设允许管理员可以在本地或通过网络远程交互式地操作、访问、检测、修复这些设备4目背景及;同时提供一条独立于数据网络(WAN and/or LAN)之外的备份链路,在网络不可达或者设备故障时通过备份链路远程交互式地操作、访问、检测、修复这些设备;
  6. 完善的日志记录和事件侦测,在日志中,按照事件定义,自动监测事件发生。在数据库中,记录事件的发生时间、关联设备、事件内容等。

在综合考虑了以上各因素及反复探讨后,我方经过反复研究,推出以下合理化方案供各位领导参考。

    1. 数据中心解决方案

根据机房整体设计考虑,建议数据中心不同部门分机房所有数据中心机房的众多设备,包括不同品牌服务器和不同操作系统服务器控制,需在一个整合了多种机房系统资源的集成大平台上得到统一管理,以解决信息孤岛和各厂商管理方式各自为政的问题,方便快捷地排除机器故障,从而更有效地保障整体机房的高效运营。

主要体现在以下几个方面:

  1. 有效控制效率及并发性与可行性兼顾

考虑将来被控服务器数量与控制端用户数的匹配,满足机房管理人员同时并发访问多台服务器,以及多个管理人员访问多台服务器,扩大管理幅度,以及对服务器的控制效率和方案可行性,充分保证用户远程并发访问的需要。对于频繁操作和需要高并发管理的服务器,我方建议采用4台MPU2032-103,用一套DSV3软件管控。MPU2032-103为2数字通道32接入端口,一网络端口,一电源接口,单台KVM可以实现同时打开2台服务器

系统安全性

系统安全方面,我方提供了Hub-Spoke结构的集中控管系统,将来扩展时,认证服务器之间数据自动同步,并且可以实现负载均衡,可以避免被控服务器数量将来过多及用户访问次数增加造成用户访问系统过渡拥挤而瘫痪,保证访问过程无阻塞性。

系统无限制扩容性

考虑到机房未来扩容可能性,本方案可以在原有基础直接增加MPU系列KVM并在DSV3软件继续管控即可,不需淘汰之前所有设备,只需增加软件用户数和KVM设备即可。

  1. 降低TCO和维护成本性

面对将来各种各样的服务器、路由器、交换机、电源等,其管理软件各自为政,各种软件只能承诺对单一或少量设备的管理,而无法实现一个界面上对所有设备的统一管理,我方采用的DSView 3软件使得管理人员在统一的平台及界面上集中控制管理服务器设备、串口设备、电源设备等,管理员对设备情况一目了然。集中控制系统还为以后加入各种新功能提供了保障,提供更进一步的硬件远端操控能力,包括服务器的物理健康特征,如温度、电压、电扇工作状态、电源供应以及机箱入侵等为系统管理、恢复以及资产管理提供信息,这样机房管理人员便可以随时随地在第一时间了解整个网络服务器系统的物理健康状况,以采取积极的应对措施,节省了客户将来的投资,降低数据中心的管理与维护成本,使机房的管理达到国际上新的成熟度标准。

根据总体机房建设要求以及以上需求说明,综合考虑系统的稳定性、服务器和网络的安全性、用户控制服务器和网络设备的合理性、应用需求的高效率性、体系架构冗余拓展性、统一管理性、降低维护成本性等多方面的因素。具体方案如下:

    1. 方案说明
      1. 配置清单

因为KVM与服务器之间的CAT5线缆传输模拟信号,其必然会受到距离和环境干扰(强电和电磁)的限制,根据我方长期施工经验,建议KVM与服务器之间的CAT5线缆长度在30米以内,串口控制台服务器与网络设备之间的CAT5线缆长度在100米以内。

      1. 系统拓扑图

 

数据中心机房建设方案

      1. 方案实现概述

考虑到数据中心机房的具体情况,对机房内的PC服务器(包括PC服务器、主机终端等),我们建议采用MPU2032-103数字交换机对服务器设备接口进行集中统一连接;本系统可以提供多个并发IP操作用户通过TCP/IP同时操作访问机房内所有PC服务器、主机终端、存储设备、小型机(Console口)和网络设备(Console口),同时每台MPU2032-103数字交换机还可以提供1个本地操作终端方便管理用户进入机房在机架旁操作管理其所连接的被控服务器,MPU2032-103还提供VM功能,满足日常维护打补丁等传输数据;所有的MPU2032-103数字交换机都可以通过远程和本地进行设备Fireware升级;集中控制管理平台DSView实现统一用户认证及访问权限设置,除集中控制管理平台内部认证外,还支持Active Directory、Windows NT、LDAP、RADIUS、TACACS+、RSA SecurID外部认证系统;由集中控制管理平台DSView实现系统统一日志管理,功能包括:保存、查询、索引、归档,日志内容包括访问日志审计、事件日志审计、数据日志审计、告警机制;

方案实现:

  1. 采用 MPU2032-103数字交换机对PC服务器进行连接管理时,我们需要在服务器每台服务器的键盘、鼠标、显示器接口都直接连接一根DSAVIQ-XXX服务器接口线缆攫取键盘、鼠标、显示器信号,DSRIQ-XXX服务器接口线缆再通过普通五类线线连接到MPU2032-103。
  2. 数据中心机房建设方案
  3. 远程IP操作用户只需要在IE浏览器内输入DSView HUB主认证服务器或Spoke镜像服务器的IP地址经过权限认证后即可对机房内的所有的PC服务器、主机终端、存储设备、小型机(KVM或Console口)和网络设备(Console口)进行集中统一管理。不同的IP用户都通过开放式的Web浏览器只需鼠标点击即可访问到机房内相应的设备,通过简单的用户分组和权限设置后不同部门的操作用户根据各自权限的不同可以访问各自不同部门的设备,每个操作用户不但可以在自己的屏幕上打开操作一台服务器画面,还可以打开多个服务器的界面轮流进行操作或监视不同设备的运行状态。实现最小化访问权限控制。实现从单点技术管理、普通系统管理、区域本地管理过渡到全面集中管理、安全系统管理和远程控制管理。
    1. Avocent机房集中控制管理平台管理特性
      1. 解决简化和统一管理IT基础设施问题

针对数据中心IT基础设施既有服务器,又有Cisco或华为等厂商的路由器、交换机、防火墙等网络设备,Avocent采用统一化集中控制系统实现机房设备管理,利用KVM over IP、Serial over IP 、Power over IP、Service Processor over IP技术实现远程集中控制管理,方便集中监控、控制、管理、运维,提高运维效率。各部门和各机房的IT基础设施,应当考虑人员认证管理,设备、人员分组和授权管理,日志管理,告警管理,安全管理等,在业务系统出现故障时,能够有应急系统和相关方面的专家及时隔离故障和解决系统问题。使用 DSView 3集中控制管理平台,您可以从一个屏幕访问所有数据中心设备 — 使复杂的网络访问和控制大大简化。

数据中心机房建设方案

 

      1. 解决分布式管理问题

针对客户的多机房和冗余的需求,Avocent解决方案采用分布式Hub-Spoke架构,使得认证服务器的放置实现了异地化和多机并发处理。对于数据中心机房而言,可设置一台HUB(中心)和Spoke(分支)认证服务器,中心和分支后台数据同步;如需访问主机房中的终端设备,用户可直接通过HUB或Spoke认证服务器的用户和权限验证,建立与主机房内的相应终端设备之间的连接。如建立统一控制管理,访问A机房的终端设备可直接通过A机房认证服务器,节省了数据传输返回时间,实现了认证系统的负载均衡处理。当A机房本地认证服务器出现问题时,也可通过B认证服务器进行通信验证,同样可对机房内的终端设备实现远程操作。无论管理员是在不同楼层、不同楼宇还是出差在外地,同样操作也可实现同时控制操作数据中心机房。Avocent独有的分布式认证服务器架构特别适用于多地点机房的集中管理,已经在各大通信、金融行业数据中心中成功应用,该架构可以提高系统的可靠性(可实现16台认证服务器冗余),以及减少认证系统负载,从而保障多地点数据中心IT基础设施系统的完全可用性。

 

      1. 解决目标设备资产信息和分组管理问题

服务器设备逻辑分组说明

数据中心内服务器设备众多,可以对机房内服务器设备的逻辑划分说明如下:

首先,按照各服务器设备所属单位部门进行划分,如下图所示:

数据中心机房建设方案


其次,对于每个组别中的各台服务器设备,分别添加各自的标志信息,如:应用类型、设备型号、操作系统、IP地址、联系人、联系电话等,如下图所示:

数据中心机房建设方案

当用户需要时,还可对以上信息进行导出,保存为.CSV 文件,更方便用户直观地对具体服务器进行各项操作:

 

如此划分,无论是对于操作员还是管理员来说,都可方便地找出所需访问的服务器设备,尤其对于系统管理员来说,既可利用不同组别来查找不同服务器设备,亦可通过DSView系统独有的Filter功能,方便快捷地找出相应字段匹配的服务器设备。例如:需查找操作员“张杰”所负责的服务器,可在系统Filter栏处输入“张杰”字段,即可显示出操作员“张杰”所负责的所有服务器设备列表。
同时,也可根据不同的定义字段(如IP地址、部门、应用等)来搜检相应的服务器设备:如输入“51”字段,系统会自动将所有包含“51”字段的服务器列表检索出来:

 

      1. 解决用户认证、授权和分组管理问题

DSView 3 集中控制管理平台有DSView 内部认证服务,它可以根据 DSView 3 软件服务器数据库中保存的用户帐户信息,来验证登录和密码。

DSView 3 软件还支持以下几种外部认证服务:

    • Microsoft Active Directory  
    • IBM SecureWay Directory Server  
    • Novell LDAP Services  
    • Sun Solaris R9 LDAP Directory Server  
    • Sun ONETM LDAP Directory Server  
    • Microsoft Windows NT 域
    • Windows 2000/2003 server 的 Cisco Secure ACS 3.3
    • Windows 2000/2003 server 的 Microsoft IAS
    • Red Hat RHL3 的 FreeRADIUS
    • Windows 2000/2003 server 的 Cisco Secure ACS 3.3
    • RSA SecurID

数据中心机房建设方案转存失败重新上传取消对于用户分组而言,可设三个不同优先级别的账号,分别具有不同的访问权限,管理便捷:

      1. 系统超级管理员(DSView Administrator):其可对系统所有设备进行控管、权限分配及用户账号管理,并可对DSView系统进行所有操作。
      2. 组长:可对本设备组内所有设备进行集中控管,并可随时断开各组员的访问进程。
      3. 组员:仅可对具有权限的个别设备进行控管操作。

例如:设置用户“周彦倜”为系统超级用户,具有DSView Administrator权限,优先级最高,可对所有服务器设备进行访问并可随时断开任意用户的访问进程,还可进行系统设置操作;

 

 


设置用用户“蒋放”为组长,其具有对“科技部”组中的所有服务器设备的访问权限,可随时断开对该组设备有部分访问权限的组员的访问进程;

 

设置用户“张杰”为组员,其仅具有对“科技部”中几台服务器设备的基本管理权限。 解决访问安全的顾虑

Avocent数字解决方案针对的应用,设置了6方面用户安全级别控制和保护方式:

  1. 结合外部认证

XXXXX未来可能通过外部认证系统实施外部验证机制,Avocent目前支持AD,NT Domain,Radius,LDAP,Tacacs+,RSA SecurID六种外部认证系统 ,使得各操作人员仅需牢记一套密码即可对KVM系统及日常生产进行同时操作。

  1. 通信数据加密

可通过DSView系统针对不同用户设置不同等级的用户权限,管理相应的服务器;任一用户在访问终端设备前,必须先通过多冗余设计的认证服务器(Hub或Spoke)的严格权限验证(SSPI、AASP专用安全协议),成功后才能访问到具有相应的终端设备并进行相应权限的操作,此其间所有的鼠标、键盘及视频信号的传输皆采用可选方式的DES,3DES,128位SSL,AES加密算法,并可结合利用防火墙的端口设置等功能,最大程度地保障了系统的安全性能。

  1. 访问时间短控制

结合XXXXX外部认证系统,可指定用户在指定时间访问相应服务器设备,增强了系统的安全完备性。

  1. 操作权限控制

可由DSView系统分配给各不同用户不同的用户权限。

  1. 绑定IP控制

DSView具有的强大功能使得系统可指定访问用户的IP地址列表,使得仅在此列表中存在的IP网段内的访问用户可以访问到DSView系统,防止了各种外部无效访问,大大增强了系统的严密性。

代理模式访问

使用代理模式,可以保护后台数据处于安全不可到达的位置。DSView3可以工作在代理模式下,此时用户建立的KVM、Serial和VM连接都通过DSView3服务器的代理端口。这种工作模式可以将装置与用户在网络上隔离开,从而避免了装置直接暴露在非管理网段中,进一步加强了用户核心业务系统的安全性能。

 

      1. 解决远程安全传送文件问题--Virtual Media

XXXXX数据中心里服务器及设备总类繁多,重要性等级也不尽相同,Avocent集中控管系统从实际需求出发,提出了重要设备重点对待的处理策略,并结合DSR设备独有的Virtual Media功能,提出以下的先进管理模式:

对重要性级别较高的服务器,利用MPU8032DAC-103其独有的总线延长技术(Bus-Extension),使得对服务器的操作达到硬件级别的远程数据迁移能力,可将本地的光驱或是磁盘映射成为目标服务器上的一个盘符,并可利用映射盘符从本地光驱实现Boot From CDROM,从而不必再进入机房放置系统安装CD即可从本地CDROM实现对服务器进行远程系统重装等深层次功能,再也不必为了系统崩溃需重装系统而穿梭于机房内外了。

 

      1. 解决嵌入式芯片统一管理问题

多种服务器的IPMI/iLO/DRAC等嵌入式芯片统一管理,提供安全的 Serial over LAN (SoL)、电源控制、硬件监控和全新 DirectCommand 功能,该功能可以实现透明和安全地访问 SP 固有界面以及进行 IPMI 自动配置和 SP 自动发现。


Avocent的解决方案还可以提供操作用户对支持SP接口的服务器(例如IBM X Series,HP Proliant, Dell PowerEdge Series)实现电源的远程控制,实现远程开/关机,并可在统一的软件界面上显示该服务器主板温度、CPU温度等等各种机器信息,方便管理员及时掌握服务器健康状况。

 

 

      1. 解决访问通道审计问题

在DSView实现系统统一日志管理,功能包括:保存、查询、索引、归档,日志内容主要包括以下几个方面

  1. 访问日志审计(ACS和DSR)

访问日志主要用于记录监控人员或网管人员对网络设备和服务器的访问情况,包括了访问时间、访问端口、访问用户名、访问源IP地址。访问日志以表格方式记录在DSView的数据库中。DSView3可以对来自ACS的串口数据按照用户定义的关键字进行过滤。过滤的结果作为事件被存放在DSView3的数据库中,并可以以SNMPTRAP或EMAIL的形式发送出去。

  1. 事件日志审计(ACS)

事件日志主要用于记录设备在Console端口输出的包含有用户所定义关键字的系统信息,包含了发生事件、发生端口、信息内容,事件日志以表格方式记录在DSView的数据库中。

  1. 数据日志审计(ACS)

将ACS上的串口数据统一保存到DSView3中。串口数据中包含了重要的目标设备的系统信息,以及通过serial console对目标设备的配置或操作过程。数据日志主要用于记录设备在Console端口输入输出的信息,即网管人员在Console进行的操作信息,数据日志以文件的形式保存在DSView的文件系统中。ACS还支持NFS和Syslog协议,可以根据客户具体需求,将Console端口输入的信息,记录在相应的协议服务器上。

      1. 解决主动告警问题

如果 DSView 3 软件系统发生已定义且启用的事件,则将该事件保存在事件日志中。您可以显示事件日志内容、查看单个事件日志条目的详细信息,或删除事件日志条目。您可以设置在事件发生时将通知邮件发送至一个或多个地址。您可以更改事件日志的保留时间以及导出事件日志内容。


定义的事件可归类于以下类别:事件类别

  1. 访问控制
  2. 装置
  3. 认证
  4. 数据记录
  5. 外部
  6. IPMI
  7. 调制解调器
  8. 会话
  9. SSH 通过
  10. 系统
  11. 任务
  12. 设备
  13. 设备状态
  14. 用户

 

      1. 解决硬件兼容问题

DSView3系统支持基于多种硬件平台、多操作系统的服务器和串口设备,如:NT、UNIX、Solaris等操作系统之上的SUN、HP、DELL、COMPAQ、IBM、联想等机型,并能实现在多种平台间“无缝”切换。

      1. 解决刀片式服务器管理问题

Avocent的IT基础设施管理设备和DSView® 3管理软件结合起来可以为创造多种连接方法,能够连接所有制造商的任意型号刀片服务器。此外,DSView 3软件还可为用户提供单一用户界面,使用户可以方便地访问和管理数据中心内所有的刀片服务器、机架式或独立服务器,以及其它的联网设备。HP BladeSystem c-Class、HP BladeSystem p-Class、IBM BladeCenter、IBM BladeCenter HT、DELL 1855、DELL1955等刀片服务器统一接入管理;虽然每一家厂商的刀片服务器都有其特有的规格,但戴尔、惠普和IBM的刀片服务器都有一些类似的管理特性。这三家厂商的刀片服务器都包括(1)刀片服务器机箱管理模块、(2)服务处理器技术,以及(3)集中管理软件套件。

      1. 解决虚拟机管理问题

在今天的市场中,虚拟技术正在攻城掠地,夺取日益重要的市场地位。许多IT机构或多或少地实施了VMware技术,在选定的物理服务器上创建多个虚假服务器。这种虚拟服务器的广泛使用可以提供诸多的优势–包括降低硬件方面的资本支出、减少能耗和冷却容量方面的需求,以及实现更为灵活的处理容量分配。

然而,虚拟技术的引入也给IT机构的管理工作带来了许许多多的挑战。这些新的挑战主要应归咎于两个基本原因:

  1. 虚拟服务器的本质与物理服务器不同,因此必须以不同的方式对其实施管理,尤其是考虑到目前VMware工具本身的诸多限制,管理工作的挑战就显得更为明显。
  2. 数据中心只实现了部分虚拟化。也就是说,服务器既可能是物理机器,也可能是驻留在物理机器上的多个虚拟机之一。

虚拟和物理服务器的混合为管理运营带来了新一层的复杂性。因此,IT机构必须重新思考新的方法,对这些动态混合程度越来越高的虚拟和物理服务器实施有效的管理。

Avocent集中控制管理平台DSView3.5可使管理者对物理IT资产与虚拟化设备进行统一的访问与控制管理,是业界第一种可以在统一平台上实现对虚拟和物理服务器的组合访问和控制,从而减少管理数据中心的费用和使复杂性的管理平台简单化。

除了将物理和虚拟服务器管理组合在一起外,DSView3.5还通过多个VMware Virtual Center的企业内创建整个虚拟基础设施的统一视图,可以整合、显示和访问多个Virtual Center中的所有虚拟机。此外,DSView3.5还可以真和跨多个VMware ESX Server或Virtual Center和ESX Server的组合,为IT管理人员提供跨真个基础设施的组合视图,在一个屏幕上看到所有的物理与虚拟服务器和机器,从而节省时间,简化管理。

另外,DSView3.5能够自动发现Virtual Center、ESX Server和它们支持的虚拟服务器,并作为目标设备包含这些虚拟服务器。当虚拟机创建、拆除或转移时。通过DSView3.5可以使目标设备列表同步更新。在DSView3.5事件日志中,不仅包含来自Virtual Center管理服务器和ESX Server的事件和报警,还可以将虚拟服务器上执行的所有管理操作捕获到日志中。

      1. 解决多平台合作问题

Uptime Sensor Hub 结合监控湿度、电压和温度;NetClarity Auditor Enterprise集成,实现主动的网络安全保护;与 HP Software Network Node Manager (NNM) Operations for Windows (OVOW) 的结合,惠普和 Avocent 客户可通过 HP Software 的节点轻松启动 DSView 3 软件会话;

 

      1. 解决及时修复管理平台问题

DSView3集中控制管理平台支持MS Windows、Linux和SUN Solaris等多种操作系统。硬件的选型用户可以自己选择,对用户管理员来说所有信息都是透明的,安全方面用户可以自己定义;即使硬件有问题时,通过定时备份的数据库,重新安装一台服务器(甚至可以是临时使用的笔记本),恢复备份数据就可以实现及时恢复访问通道畅通,保障客户使用的连续性,也减少硬件返修厂商的风险。

  1. 气体灭火系统
    1. 概述

AAA数据中心机房的机房区采用气体消防;气体灭火系统采用七氟丙烷自动灭火系统;系统具有自动、手动及机械应急启动三种控制方式。并与配电柜、新风和排风系统联动。

    1. 建设目标
  • 当火灾发生时迅速将火扑灭,保障机房设备及人员的安全;
  • 灭火时不能对机房设备产生破坏作用,将火灾损失减到最小;
  • 保障工作人员在消防系统启动时的安全,既气体毒性要最小;
    1. 解决方案分析

为保护一些不能用水扑救部位的避免火灾损失,广泛使用了气体消防。如证券、基金公司机房、电信机房、广播电视设备、发电机房等场所。气体灭火系统包括卤代烷(如七氟丙烷)、二氧化碳、惰性气体及烟雾灭火系统。

其中七氟丙烷气体灭火系统以其环保性、低毒性在计算机机房灭火系统中广泛采用。

七氟丙烷气体灭火系统在应用方式上可分为管网式和无管网式,下面我们就这二种应用形式进行分析。

    1. 七氟丙烷气体灭火系统的特点
  • 灭火剂七氟丙烷HFC227ea的化学分子式为CF3CHFCF3。
  • 保护环境。七氟丙烷是无色、无味的气体,其臭氧耗损潜能值(ODP)为零,在ISO认可的洁净气体灭火剂中,其洁净性最好,具有清洁、低毒、电绝缘性能好、灭火效率高的特点。
  • 保护生命安全。七氟丙烷的未观察到不良反应浓度NOAEL值为9%,而一般七氟丙烷的灭火设计浓度为10%以下,对人体基本无害。
  • 七氟丙烷灭火系统可用于扑救下列火灾:
    1. 电气火灾;
    2. 液体火灾或可熔化的固体火灾;
    3. 固体表面火灾;
    4. 灭火前应能切断气源的气体火灾。
      1. 管网式灭火系统

当一个防护区的面积不大于500m2;容积不大于2000m3时采用管网式灭火系统;

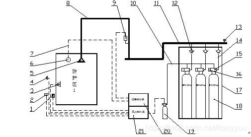
管网式灭火系统图如下:

 

数据中心机房建设方案

管网式灭火系统原理图

(单元独立系统原理图)

1.紧急启停按钮

2.放气指示灯

3.声报警器

4.光报警器

5.喷嘴

6.火灾探测器

7.电气控制线路

8.灭火剂输送管道

9.信号反馈装置

10.启动管路

11.集流管

12.灭火剂管路单向阀

13.安全泄压阀

14.压力软管

15.灭火剂容器阀

16.机械应急启动把手

17.瓶组架

18.灭火剂容器

19.启动装置

20.报警控制器

21.灭火控制器

 

 

 

 

      1. 无管网式灭火系统

当一个防护区的面积不大于100m2;容积不大于300m3时采用管网式灭火系统;

无管网式灭火系统图如下:

 

数据中心机房建设方案

无管网式灭火系统原理图

1.紧急启停按钮

2.放气指示灯

3.光报警器

4.声报警器

5电气控制线路

6.火灾探测器

7.喷嘴

8.信号反馈装置

9.集流管

10.灭火剂管路单向阀

11.压力软管

12.灭火剂容器阀

13.机械应急启动把手

14.柜体

15.灭火剂储存容器

16.启动管路

17.启动装置

18.报警灭火控制器

 

 

      1. 结论

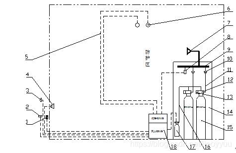
由于AAA数据中心机房需要气体消防的机房面积不超过200m2,容积不超过600m3,故建议选择无管网式灭火系统。

    1. 设计说明
  1. 灭火防护区的划分

防护区为数据中心机房,共设  3   个防护区。

根据建筑本身的特点及要求,从经济节约及灭火效果考虑,本设计采用七氟丙烷全淹没组合分配系统,采用最大防护区设计用量。此外,防护区的房门如为有缝隙的一般房门,可不考虑泄压口,否则必须按设计规范开泄压口。共设  3 个防护区 1 个钢瓶间, 290 升主储存瓶组;灭火剂充装压力为4.2Mpa。

  1. 设计原理:

本系统具有自动、手动及机械应急启动三种控制方式。

电气自动启动:

在防护区无人时,将灭火系统设置在自动控制状态。当防护区发生火情,报警及灭火控制器接收到感温和感烟探测器同时报警,发出火警声、光报警信号,同时,安装于防护区内的警铃、防护区门口的声光音响器发出声光报警信号,以提醒人员迅速撤离现场,继而联动相关设备(如防排烟阀,防火门、窗,风机,防火阀等),同时联动控制切断非消防电源,关闭空调。延时30s以后,灭火控制器发出灭火指令,触发与防护区相应的电磁先导阀使启动气瓶气瓶阀开启,释放启动气体,通过气控管路打开相应的选择阀和灭火剂储瓶瓶头阀,释放HFC-227ea灭火剂,实施灭火。在灭火剂开始喷放时,点亮防护区门口的气体释放门灯,直到手动消除。

●电气手动启动:

在防护区有人工作或值班时,灭火系统应设置在手动控制状态。当防护区发生火情,可按下灭火控制器上的直接输出按钮,或对设在防护区外的手动控制盒击碎玻璃,按下“紧急启动”按钮,即可按上述程序启动灭火系统,实施灭火。在自动控制状态,仍可实现电气手动控制。电气手动控制实施前,防护区内人员必须全部撤离。当发生火灾警报,在系统释放前的延时阶段,如发现有异常情况或判断火情不大,无需启动灭火系统时,可按下气体手动控制盒上的“急停”按钮,将终止灭火指令的发出,阻止选择阀和瓶头阀的打开,禁止灭火剂的喷放。

注意!不论何时,按下“急停”按钮后,系统将不能再次启动,需要到现场将该按钮恢复。

紧急气动启动及机械应急手动启动:

当某一防护区发生火情,但由于电源发生故障或自动探测系统、控制系统失灵不能执行灭火指令时,应立即通知所有人员撤离现场,关闭联动设备。

●紧急气动启动:

电磁先导阀包含手动启动头,可用于手动启动。在保险销已拔掉的情况下,手动操作时,拉掉相应防护区启动气瓶电磁先导阀上部保险夹,用力拍击顶部顶块,即可打开电磁先导阀相连的气瓶阀从而启动系统。

●机械应急手动启动:

进入储瓶间打开与防护区域相对应的选择阀(即向后拉动选择阀上的转臂杆,翻转打开压臂使其敞开,靠灭火剂自身压力可打开。对于90L,DN32型瓶头阀,向后拉动各对应主储存瓶瓶头阀上的转臂,翻转打开压臂,打开主储存瓶瓶头阀,释放灭火气体,实施灭火。

  1. 对防护区和储瓶间的要求:
  • 防护区必须为独立的封闭空间,防护区应进行有效的防火隔断,其围护结构及门窗的耐火极限不应低于0.5h,吊顶的耐火极限不应低于0.25h,允许压强不宜低于1200Pa。电缆及管道进出口应用防火材料封堵。
  • 防护区门应向疏散方向开启,并能自行关闭。防护区不宜有不能关闭的开口,防护区内与其他空间相通的开口,除泄压口外,应能在灭火剂喷放前自动关闭;否则应将防护区扩大到与之相通的空间或采取防止或补偿灭火剂流失的措施。
  • 防护区应有排风设备,释放灭火剂后,应将废气排尽后,人员方可进入进行检修。如需提前进入,必须佩带空气呼吸器。
  • 储瓶间耐火等级不低于二级,环境温度0~50℃,并保持干燥通风,不允许有阳光直接照射。储瓶间应有单独的通道,其通道直接通向疏散通道。
  • 不允许在储瓶间内存放可燃、易燃易爆和腐蚀性物质,设备不允许受到震动和冲击。
  • 储瓶间的楼面承载能力应能满足储存容器和其他设备的储存要求。
    1. 设计内容
  • 根据建设单位提供的数据和《技术规程》的规定,各防护区的设计参数见下表:

防护区

面积(m2

高度(m

设计浓度(%

设计喷射时间(s

设计抑制时间(min

设备机房

56.84

3.5

8

8

5

动力机房

27.71

3.5

8

8

5

UPS室

9.43

3.54

8

8

5

  • 根据七氟丙烷全淹没灭火系统HFC-227ea用量计算公式,得出各数据见下表:

防护区

七氟丙烷设

计用量(Kg

七氟丙烷实

际用量(Kg

使用储瓶数(个)

每瓶充装量(Kg

储瓶容积(L

主管径

设备机房

126

133

2

66.5

90

DN50

动力机房

61.5

66.5

1

66.5

90

DN40

UPS室

21

66.5

1

66.5

90

DN40

  • 设计参数表

 

参数

 

防护区

灭火设计浓度

灭火剂储瓶数(只)

喷头数量(只)

喷头规格

地板

房间

吊顶

地板

房间

吊顶

设备机房

8%

2

2

4

2

DN32

DN32

DN32

动力机房

8%

1

2

3

2

DN32

DN32

DN32

UPS室

8%

1

1

1

1

DN32

DN32

DN32

  • 安装
    1. 安装分为七氟丙烷瓶站设备和喷嘴管路系统,严格按设计图及现场情况进行。
    2. 灭火剂输送管道采用GB/T8163—99《输送流体用无缝钢管》,内外热镀锌处理;管件为高压镀锌管件。
    3. 管道连接一般采用螺纹连接,内径大于80mm的管道宜采用法兰连接,堵料为聚四氟乙烯生料带。明管涂刷红色油漆两道,吊顶内及地板下管道涂红色油漆色环。
    4. 管道支、吊架的安装符合下表要求:
    5. 管道安装完成后,应进行水压强度试验,试验压力为10.05Mpa,保持5min无明显滴漏现象且不变形为合格。
    6. 管道安装完成后,应进行气压严密性试验,试验介质为氮气或压缩空气。试验压力为7Mpa。试验时,应逐步缓慢增加压力,当压力升至试验压力的50%时,如未发现异状或泄漏,继续按试验压力的10%逐级升压,每级稳压3min,直至试验压力,稳压3min后,以涂刷肥皂水方法检查无气泡产生为合格,在无气源补充的条件下,持续3min,压力降不超过10%为合格。
    7. 不宜进行水压强度试验的防护区,可用气压强度代替,但必须有设计单位和建设单位同意,并采取有效的安全措施后,方可采用压缩空气或氮气作气压强度试验。试验压力应为最大工作压力的1.15倍,应先做预试验,试验压力宜为0.2Mpa,然后逐步缓慢增加压力,当压力升至试验压力的50%时,如未发现异状或泄漏,继续按试验压力的10%逐级升压,每级稳压3min,再将压力降至管道的工作压力,目测管道无明显变形。
    8. 灭火剂管道水压强度试验后或气密性试验前,应进行吹扫,吹扫时,管道末端的气流速度不应小于20m/s,用0.5~0.7Mpa的氮气或压缩空气对管道进行吹除,吹除灰渣,保证管道的通畅性。用白布检查,直至无铁锈、尘土、水渍及其它脏物出现。

管道公称直径(mm)

15

20

25

32

40

50

65

80

100

150

最大间距(m)

1.5

1.8

2.1

2.4

2.7

3.0

3.4

3.7

4.3

5.2

    1. 验收
  1. 本灭火系统按设计图纸安装完毕后,经调试、检验合格,可提交验收。
  2. 验收合格后,经消防主管部门及使用单位认可,可交付正式投入使用。
    1. 标志

防护区门外应设警告牌和声光报警及释放信号标志。

    1. 使用注意事项
  1. 本工程的灭火系统分为自动、手动、应急手动三种启动方式。
  • 自动工况:即自动探测、自动发出火警信号,自动启动灭火系统进行灭火;
  • 手动工况:即自动探测、自动发出火警信号,经人工手动控制盒启动灭火系统进行灭火;
  • 应急手动工况:

只探测报警,发出火警信号。但当电气控制部分出现故障,或由于电源发生故障或自动探测报警系统失灵,不能执行灭火指令的情况下,采用应急手动启动。

应急手动启动必须在储瓶间进行。首先关闭影响灭火效果的设备,通知并确认人员已经撤离后,拉掉相应防护区启动气瓶上电磁先导阀上部保险夹,用力拍击顶部顶块,即可打开电磁先导阀相连的气瓶阀从而启动系统。灭火系统必须有专人负责,经常进行检查和维修、保养,保持良好的工作状况,检查方法与要求应根据设备厂家提供的说明书进行。

    1. 参考标准
  • 美国消防标准NFPA2001《洁净气体灭火剂灭火系统》设计规范
  • 广东省工程建设地方标准《七氟丙烷(HFC-227ea)洁净气体灭火系统设计规范》
  • 国家灭火系统标准审查委员Q/HSB07-2001《七氟丙烷自动灭火系统》
  • 国家灭火系统标准审查委员ISO/CD14520-15《气体灭火系统设计》
    1. 性能参数
  • 系统设计工作压力:2.5 MPa,4.2MPa
  • 系统最大工作压力(20℃):3.4MPa,5.3MPa
  • 灭火剂储存容器充装压力:2.5MPa, 4.2MPa(20℃)
  • 灭火剂储存容器容积:150L×3
  • 喷射时间:≤8s
  • 最大喷射时间:≤10s
  • 系统工作电源:AC220V 50Hz,DC24V
  • 气体储存环境温度:0℃~50℃
  • 启动气体:氮气(N2)
  • 启动气体充装压力(20℃):6MPa
    1. 使用方法
  • 该系统的启动方式为自动控制、手动控制和机械应急手动控制三种。一般情况下应使用手动控制,在保护区无人的情况下可以转换为自动控制,当自动控制和手动控制不能执行时,应采用机械应急手动控制。
  • 自动控制:将报警控制器上控制方式选择键拨到“自动”位置,灭火系统处于自动控制状态。当保护区域发生火情,火灾探测器发出火灾信号,报警控制器立即发出声、光报警信号,灭火控制器接受到两个独立的火灾报警信号,发出联动指令,关闭联动设备,经过30秒延时,发出灭火指令,打开与保护区域相应的电磁阀释放启动气体,启动气体通过启动管路打开相应的选择阀和容器阀释放灭火剂,实施灭火。
  • (电气)手动控制:将灭火控制器上控制方式选择键拨到“手动”位置,灭火系统处于手动控制状态。当一保护区域发生火情,可按下手动控制盒或控制器上启动按钮即可按规定程序启动灭火系统释放灭火剂,实施灭火。在自动控制状态,仍可实现(电气)手动控制。
  • 机械应急手动控制:当一保护区域发生火情,灭火控制器不能发出灭火指令时,应立即通知所有人员撤离现场,关闭联动设备,然后拨出与保护区域相应的电磁阀上的安全卡套,压下圆头把手打开电磁阀,释放启动气体,即可打开相应的选择阀、容器阀、释放灭火剂,实施灭火。如果此时遇上电磁阀维修或启动钢瓶充换启动气体或其它原因不能开启相应的选择阀、容器阀时,应立即按下列程序操作:第一、打开与保护区域相应的选择阀手柄;第二、按下容器阀上的机械应急启动把手打开容器阀,释放灭火剂,实施灭火。
  • 当发出火情警报,在延时时间内却发现有异常情况下不需启动灭火系统进行灭火时,可按下手动控制盒或控制器上的紧急停止按钮,即可停止灭火控制器灭火指令的发出。

 

  1. 机房综合布线

针对AAA数据中心机房的网络需求,以计算机网络运算准确无误及数据传输安全可靠、速度快的高标准,此次选用泛达超5类综合布线系统(结合语音系统)布线解决方案。

    1.    系统需求分析

AAA数据中心机房的主要需求有:数据通讯/语音系统。结合AAA综合布线需求和我公司多年综合布线建设经验,我们提出以下综合布线工程解决方案。

综合布线系统工程设计应采用当今先进的网络技术,实现网络数据高速有序流通,最大限度保护网络的安全、稳定、高速性。

我们将严格按照ISO11801等国际布线标准设计及施工,将AAA数据中心机房建设成为一个技术先进、性能可靠、功能齐全的系统。系统应符合ISO/IEC11801:1995(E)等综合布线工程国际标准中的各项规定,还应满足以下要求:

  • 稳定性:系统性能稳定可靠。
  • 安全性:布线系统应考虑期货公司对保密性的要求,网络应该有强大的安全性机制和方法,能够保护和隔离敏感性的信息和机密文件,能够完全保证内部的安全性。在保密网线路上的电磁泄漏及受电磁干扰影响较少。
  • 实用性:计算机网络系统对布线的需求。能兼容语音、数据、图象的传输,并可与外部网络连接。所用的布线系统能够满足千兆以太网的要求。
  • 灵活性:开放式结构,能支持话音及多种计算机数据系统,应用上能支持会议电视、多媒体等系统的需要。
  • 模块化:布线系统中,除去固定在建筑物内的线缆外,其余所有的接插件都是模块化的标准件,以方便管理和使用。
  • 扩充性:布线系统是可扩充的,以方便将来有更大的发展时,很容易将设备扩展进去。
  • 经济性:在满足应用要求的基础上,尽可能降低造价。
    1.    信息点布线规划设计

AAA数据中心机房的局域网络系统是按照以太网(Ethernet)设计和规划的,为满足网络技术发展的需要,降低信息系统总投入成本,AAA的局域网系统建议按照千兆以太网规范设计。这不但能提升网络系统速度,对今后网络的扩展也留有余地。

信息点(含语音信息点)采用六类UTP布线系统。

由于语音信息点和数据信息点统一设计及施工,通过更改跳线,语音信息点和数据信息点可方便的互换使用,增强了布线系统的灵活性和可扩展性。

       我们将依据对贵公司现场的考察,结合长期从事金融业的综合布线项目实施的丰富经验为贵公司设计相应信息点的布置位置。

    1.    布线产品选型

       根据计算机网络的发展要求,以及今后的发展趋势。综合布线我们建议选用Panduit系列布线产品。

       泛达于2003年10月推出的端对端六类布线产品系列,以其优越精密的线对平行传输和阻抗匹配技术, 使其UTP布线系统端对端(Point to Point)信道的衰减Attenuation,近端串音衰耗NEXT,ACR,EMI等指标, 都大大超过TIA/EIA 568-A及ISO/IEC 11801行业标准。其独有的线缆和接插件匹配构造设计, 更使其能在各种恶劣的安装环境下依然保持最佳的传输性能,多项的性能测试表明 PowerSum 系统不仅在衰减(Attenuation),近端串音衰减(NEXT)等性能指标上远远超离FTP/STP及其他系统,而且在实际应用中EMC各项指标亦超越FTP/STP等屏蔽电缆系统。

       我们将结合多年的设计与施工经验,有效地配合贵方,为圆满完成贵方工程尽我们最大的智慧和力量。诚恳地希望贵方对我公司投标建议书的不妥之处,多提宝贵意见!

    1. 综合布线规划方案

       考虑到贵公司网络系统建设的需求,结合安全、稳定、高效、节约的设计原则:

    • 综合布线采用全套泛达公司六类产品(包括模块、面板、配线架、理线器、水晶头、跳线等)。采用的设备都是标准化的,模块化的。易于扩充和配置。
    • 机柜:采用机柜规格为42U,600(宽)*960(厚)*2000(高)和800(宽)*800(厚)*2000(高),单位:毫米。建议采用APC机柜,机房暂时设置8个服务器机柜,2个布线柜。2个布线机柜跳线采用彩色机柜软跳线。
    • 水平子系统采用镀锌铁槽,弱电、强电系统配接镀锌铁管,线槽线管均作防虫防鼠处理。
    • 严格按照ISO11901国际标准和XX市技术监督局相关标准设计、施工及验收。
    • 泛达的系统及应用保证是从施工验收之日起,保证系统15年内达到或超过国际布线标准的要求,包括ANSI,TIA,EIA,ISO,IEEE,ATM  Forum,FCC,CISPR,CSA及ITU-T等多个国际标准组织制定标准。
    1.    信息点布线工程施工方案
      1. 布线材料推荐

       机柜推荐采用APC机柜,选用规格为600*960*2000标准服务器机柜和800*800*2000网络机柜,42U。机房暂时设置8个服务器机柜,2个布线柜

       线槽选用国产镀锌1.0 厚铁线槽,一次冲压成型。线管选用国产1.7寸厚镀锌铁管,通过铜杯梳、铁直通等材料实现路由端接。

      1. 信息点布线方案技术说明

       在系统设计中首先要考虑的是选用的传输介质。综合布线系统有两类传输介质可选:六类;光纤;

       根据本项目实际需要,在设计中用六类传输介质构成整个系统。用最小的开销,最少的干扰更改路由。结构可以简单的通过空管、槽安装好,并可以方便的重新改变、增加路由。

      1. 施工过程要求

施工过程由三个方面完成:管道安装,拉线安装和配件端接。

    1. 管道安装:由有工程安装资格的工程队完成,工艺质量满足国家电信部门有关的施工规范和EIA/TIA569标准。布线桥架的焊接,线槽的过渡连接满足国家电工标准中对强电安装的工艺和安全要求。
    2. 拉线安装:开放式布线系统对拉线施工的技能要求较其它布线高得多,这主要是由传输介质的特点决定的。在开放式布线系统中,采用的传输介质一般有两种类型,一类为双绞线,另一类为光纤,它们的材料构成和传输特征虽然不同,但在拉线时都要求轻拉轻放,不规范的施工操作有可能导致传输性能的降低,甚至线缆损伤。

       在施工中经常可以看到下列情况:

  1. 线缆外包覆皮起皱或撕裂,这是由于拉力过大和线槽的转角,过渡连接不符合要求造成的。
  2. 线缆外包覆皮光滑,看不出问题,但用仪表测量时发现传输性能达不到要求,这是由于拉线时拉力过大,使双绞线的长度拉长,绞合拉直造成的。这种情况用于语音和10MBPS以下数据传输时影响也许不太大,但用于高速数据传输时则会产生严重的问题。

       为了避免施工中出现上述问题,在ISO/IEC11801标准EIA/TIA569标准中规定:

       ◆双绞线拉线时的拉力不能超过13磅

       ◆光纤的拉力不能超过15磅

       我公司为了保证施工的质量,规定:拉线时每段线的长度不超过20米,超过部分必须有人接送;在线路转弯处必须有人接送;

    1. 配件端接:配件端接的工艺水平将直接影响布线系统的性能。本公司对其严格把关,所有的端接操作都将由经过厂商培训的专业工程师完成。
      1.   工程具体实现

       所有信息点电缆均引至配线系统内。经配线后连接到水平配线系统。再以水平配线系统主干线为中心连到各个RJ45接线盒。最后经各信息线缆连接到各种终端。

       所有线缆在地板下安装在铁皮线槽内(主干槽),从主干槽引至各工作区采用镀锌铁管安装,交换点使用转接头,保证线缆从主配线到工作区之间安装是封闭的,以防损坏。同时,铁槽要做好接地处理。

       充分考虑系统抗干扰能力,网线与电源布线保持一定的距离;地板下30CM,工作区15CM。

       所用交换机、配线架在机柜中。

       布线一般由远到近的区域进行拉线,以保证网线的最高利用率。

    1.    信息点布线方案小结
  1. 采用世界著名综合布线公司泛达公司的全线布线产品,确保了产品的品质和系统的可靠性。
  2. 该布线系统的设计、施工等完全符合国际有关标准及国内相关要求,选用符合国际标准的T568-B接线方式,保护用户长远利益。
  3. 该布线系统具有较高性能,较宽传输带宽,所有泛达公司产品之性能均高于国际标准。
  4. 模块化的组件结构,使系统一目了然,维护、扩展、使用方便,可灵活配置不同网络通信结构,满足系统更改、用户增加、移动等需求。
  5. 由于该系统采用模块化设计,极大地增加了布线系统的灵活性和互用性,即任一标准插口都可用于电话,亦可用于电脑,只需简单改变跳线即可。

关注我的技术公众号,每个工作日都有优质技术文章推送和电子版方案下载。

微信扫一扫下方二维码即可关注:

数据中心机房建设方案


 

版权说明:如非注明,本站文章均为 扬州驻场服务-网络设备调试-监控维修-南京泽同信息科技有限公司 原创,转载请注明出处和附带本文链接

请在这里放置你的在线分享代码
«    2025年9月    »
1234567
891011121314
15161718192021
22232425262728
2930
搜索
最新留言
    文章归档
    网站收藏
    友情链接